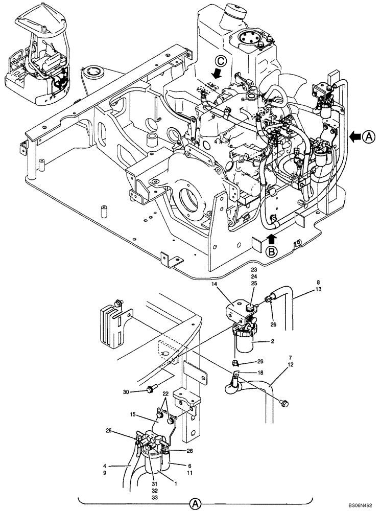
Запчасти Case CX17B (01-010[00]) - FUEL LINES (PU21P00002F1) (10) - ENGINE

Схема запчастей Case CX17B - (01-010[00]) - FUEL LINES (PU21P00002F1) (10) - ENGINE
23
9
26
4
32
30
31
22
14
8
18
26
33
26
2
26
6
11
12
15
24
25
7
13
1
FIT
1:1
100%

Артикул

Название

Примечание

Количество

PU21P00002F1

FUEL LINES (PU21P00002F1)

1шт.

1

PU02P01026P1

SEPARATOR

Separator Assy, Water

1шт.

2

PU21P01010P1

FUEL FILTER

Filter, Fuel

1шт.

4

PU21P01004D2

HOSE

Hose

1шт.

6

PU21P01004D4

HOSE

Hose

1шт.

7

PU21P01004D1

HOSE

Hose

1шт.

8

PU21P01004D3

HOSE

Hose

1шт.

9

YX06H01004D2

TUBE

Tube

1шт.

11

YX6H01004D3

Tube

1шт.

12

YX06H01004D7

TUBE

Tube

1шт.

13

YX06H01004D8

TUBE

Tube

1шт.

14

PU21P01008P1

BRACKET

Bracket

1шт.

15

PU21P01012P1

BRACKET

Bracket

1шт.

18

ZC46X19011

CLIP

1шт.

22

ZM73C08020

BOLT,M8x20mm - Course Thread

Bolt

2шт.

23

ZS18F10020

BOLT,Hex, M10 x 20mm

1шт.

24

ZW16P10000

WASHER

1шт.

25

ZW26X10000

LOCK WASHER

1шт.

26

PH05P01088D5

CLIP

4шт.

30

ZM73C08025

BOLT,M8x25mm - Course Thread

Bolt

2шт.

31

ZS18C08070

SCREW,Hex, M8 x 70mm

1шт.

32

ZW16P08000

WASHER

ID 08 x OD 17 x Th 1.6mm

1шт.

33

ZW26X08000

LOCK WASHER

1шт.

Выбрано товаров: 23