Запчасти Case CX17B (01-010[01]) - FUEL LINES (10) - ENGINE

Схема запчастей Case CX17B - (01-010[01]) - FUEL LINES (10) - ENGINE
19
10
8
6
20
5
10
20
18
29
21
26
5
19
18
16
3
27
17
29
26
28
19
19
26
7
12
29
13
19
26
20
28
20
9
21
11
16
4
26
26
20
FIT
1:1
100%

Артикул

Название

Примечание

Количество

3

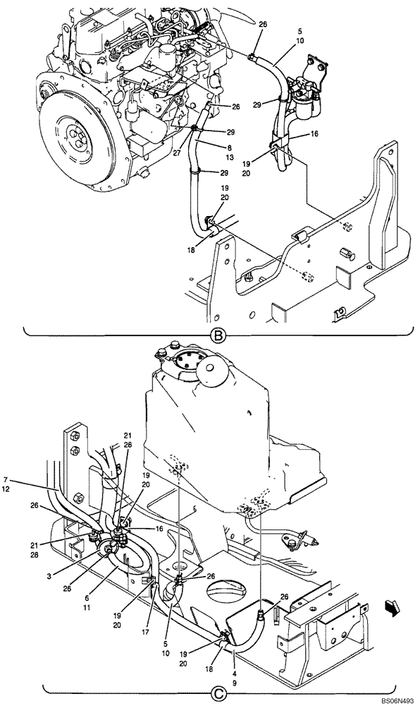
PU22P00001P1

FUEL PUMP

Pump, Fuel

1шт.

4

PU21P01004D2

HOSE

Hose

1шт.

5

PU21P01004D5

HOSE

Hose

1шт.

6

PU21P01004D4

HOSE

Hose

1шт.

7

PU21P01004D1

HOSE

Hose

1шт.

8

PU21P01004D3

HOSE

Hose

1шт.

9

YX06H01004D2

TUBE

Tube

1шт.

10

YX06H01004D1

TUBE

1шт.

11

YX06H01004D3

TUBE

Tube

1шт.

12

YX06H01004D7

TUBE

Tube

1шт.

13

YX06H01004D8

TUBE

Tube

1шт.

16

ZC46X38014

CLIP

2шт.

17

ZC48X18011

CLIP

Clip

1шт.

18

ZC46X19011

CLIP

2шт.

19

ZS18C10016

SCREW,Hex, M10 x 16mm

5шт.

20

ZW16H10000

WASHER

Washer

5шт.

21

ZS18C06030

SCREW,Hex, M6 x 30mm

2шт.

26

PH05P01088D5

CLIP

6шт.

27

YN13E01375P1

CLIP,M8 x 8.20mm Shank

Clip

1шт.

28

YR21C01161P1

WASHER,9mm ID x 22mm OD x 2.3mm Thk

2шт.

29

PY01P01043D2

CABLE TIE,4.60mm W x 202mm L

3шт.

Выбрано товаров: 21