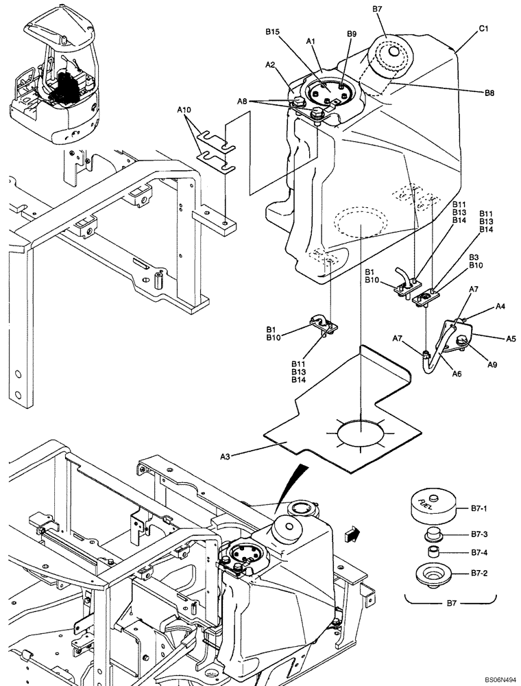
Запчасти Case CX17B (01-011[00]) - TANK INSTAL, FUEL (PU20P00015F1, 14F1) (10) - ENGINE

Схема запчастей Case CX17B - (01-011[00]) - TANK INSTAL, FUEL (PU20P00015F1, 14F1) (10) - ENGINE
a8
a7
a2
b14
a5
a7
b10
b7
a9
a6
a4
b7-4
b13
b15
b11
b7
b7-3
b7-1
a10
b10
a3
b9
b13
b1
b14
b14
b7-2
b13
b3
b8
c1
b10
b1
b11
a1
b11
FIT
1:1
100%

Артикул

Название

Примечание

Количество

PU20P00015F1

TANK INSTAL, FUEL (PU20P00015F1)

1шт.

PU20P00014F1

Tank Instal, Fuel

1шт.

a1

PU20P01055P1

BRACKET

Bracket

1шт.

a2

PU20P01054P1

RUBBER

Rubber

1шт.

a3

PU20P01028P1

RUBBER SLEEVE

Rubber

1шт.

a4

YN05P00010S007

COCK, DRAIN

1шт.

a5

PM05P01046P1

BOSS

1шт.

a6

PA21P01005DK

HOSE

Hose

1шт.

a7

PH05P01088D6

CLIP

Clip

2шт.

a8

ZM73C12025

BOLT,M12x25mm - Course Thread

Bolt

2шт.

a9

ZM73C10020

BOLT,M10x20mm - Course Thread

Bolt

1шт.

a10

PU20P01036P1

SHIN

Shim

2шт.

PU20P00013F1

Tank Assy, Fuel

1шт.

b1

PU20P01022P1

FLANGE

Flange

2шт.

b3

PU20P01038P1

FLANGE

Flange

1шт.

b7

PA20P01018F1

CAP

Cap

1шт.

b7-1

PA20P01019P1

CAP

Cap

1шт.

b7-2

PA20P01021P1

PACKING

Packing

1шт.

b7-3

PA20P01020P1

PACKING

Packing

1шт.

b7-4

PA20P01022P1

RUBBER SLEEVE

Rubber

1шт.

b8

2446R314

FILTER STRAINER

1шт.

b9

ZM61C05012

BOLT

5шт.

b10

2445Z1453D2

O-RING

3шт.

b11

ZS18C06016

SCREW,Hex, M6 x 16mm

6шт.

b13

ZW16P06000

WASHER

6шт.

b14

ZW26X06000

LOCK WASHER

6шт.

b15

PU52S00013F1

SENSOR

Sensor, Level

1шт.

c1

PU20P00012P1

FUEL TANK

Tank, Fuel

1шт.

Выбрано товаров: 28