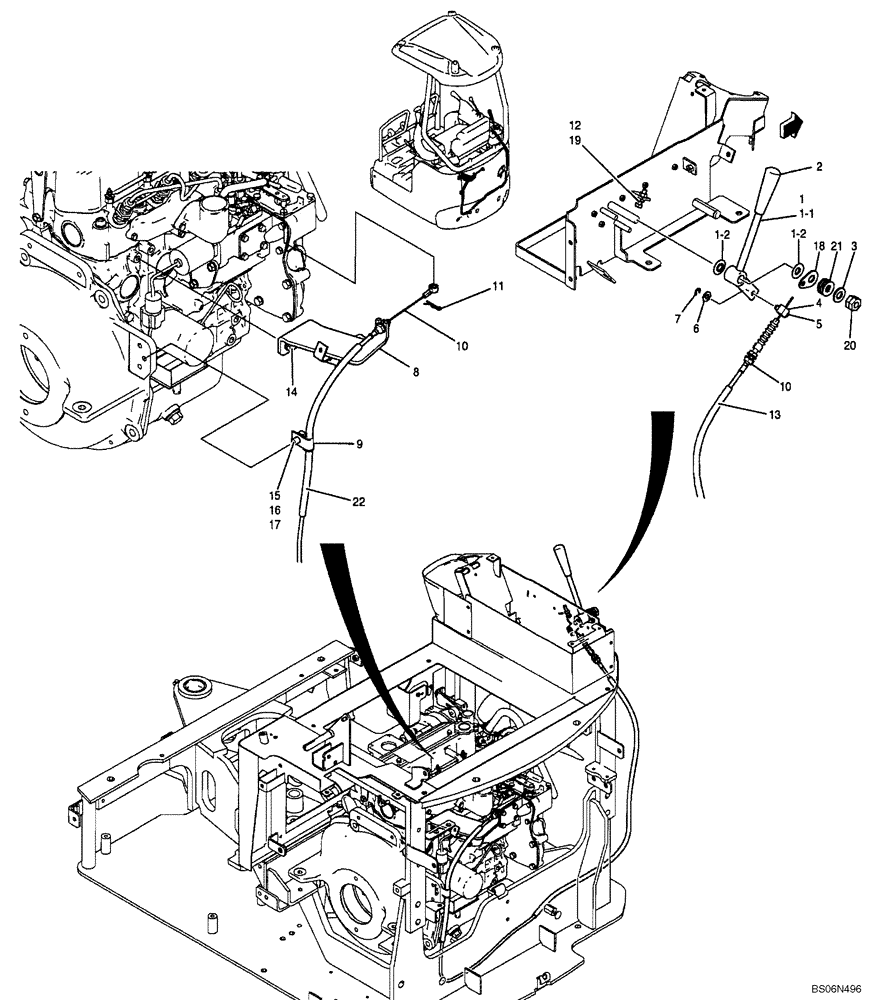
Запчасти Case CX17B (01-013[00]) - CONTROL ASSY, ENGINE (PU11M00012F1) (10) - ENGINE

Схема запчастей Case CX17B - (01-013[00]) - CONTROL ASSY, ENGINE (PU11M00012F1) (10) - ENGINE
1-1
13
19
2
7
1-2
17
20
10
6
14
1
10
11
1-2
3
5
16
15
12
18
21
4
22
8
9
FIT
1:1
100%

Артикул

Название

Примечание

Количество

PU11M00012F1

CONTROL ASSY, ENGINE (PU11M00012F1)

1шт.

1

PU11M01035F1

LEVER

Lever Assy

1шт.

1-1

PU11M01025P1

Lever

1шт.

1-2

PM51M01026P1

BUSHING,12mm ID x 14mm OD x 7mm L

2шт.

2

PU11M01024P1

GRIP

Grip

1шт.

3

ZW16P12000

WASHER

1шт.

4

PW11M01109P2

PIN

1шт.

5

ZS18C05010

SCREW,Hex, M5 x 10mm

1шт.

6

ZW16P08000

WASHER

ID 08 x OD 17 x Th 1.6mm

1шт.

7

ZR36X00600

SNAP RING

Ring, Retaining

1шт.

8

PU11M01030P1

BRACKET

Bracket

1шт.

9

EW02E01015D3

CLIP

1шт.

10

PU11M01033P1

CABLE

Cable, Control

1шт.

11

2419R9D2

COTTER PIN

OD 08mm x 27.7mm Long

1шт.

12

ZN18C06005

NUT

1шт.

13

PU06C01020D8

TUBE

Tube

1шт.

14

ZM22C08020

BOLT

2шт.

15

ZS18C10016

SCREW,Hex, M10 x 16mm

1шт.

16

ZW16P10000

WASHER

1шт.

17

ZW26X10000

LOCK WASHER

1шт.

18

PM51M01025P1

PLATE

1шт.

19

ZS18C06025

SCREW,Hex, M6 x 25mm

1шт.

20

ZN17C12007

NUT

2шт.

21

R16T0137D2

WASHER

6шт.

22

PE13E01034D5

TUBE

Tube

1шт.

Выбрано товаров: 0