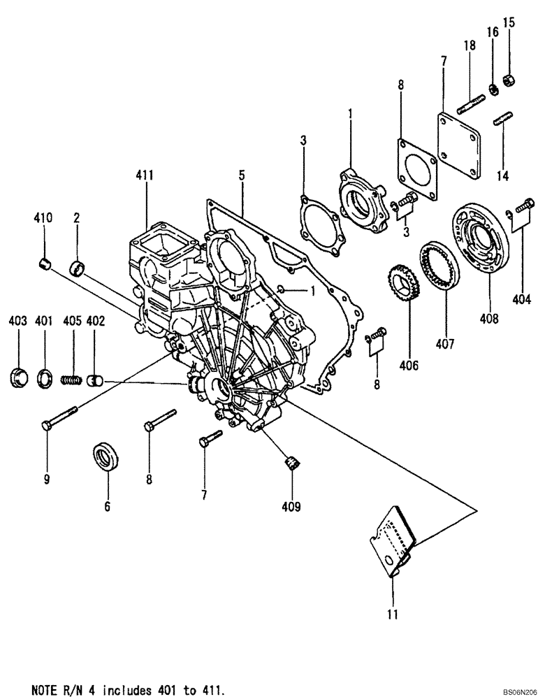
Запчасти Case CX17B (09-007[00]) - GEAR COVER (10) - ENGINE

Схема запчастей Case CX17B - (09-007[00]) - GEAR COVER (10) - ENGINE
411
15
408
8
5
16
11
401
7
6
402
407
406
9
7
405
8
18
8
3
3
1
2
403
409
404
410
14
FIT
1:1
100%

Артикул

Название

Примечание

Количество

GEAR COVER (GEAR OR CHAIN CASE)

1шт.

1

VAF315001100

O-RING

2шт.

2

VAMM432235

SEAL

Cap, Sealing

1шт.

3

VAMF240051

BOLT

BOLT With Washer

3шт.

4

VA30L1100043

CASE ASSY.

Case Assy, Gear; Incls. Ref 401 - 411

1шт.

401

VAMD000312

GASKET

1шт.

402

VAMD001402

PLUNGER

Plunger, Relief

1шт.

403

VAMD001404

PLUG

Plug, Drain

1шт.

404

VAMF241231

BOLT

Bolt With Washer

3шт.

405

VAMM433353

SPRING

Spring, Relief

1шт.

406

VAMM433793

GEAR

Gear, Oil Pump Inner; Z-24

1шт.

407

VAMM433794

GEAR

Gear, Oil Pump Outer; Z-29

1шт.

408

VAMM434466

HOUSING

Housing, Oil Pump

1шт.

409

VAMS661121

PLUG

Plug, Tapered

1шт.

410

VAMS661140

PLUG

Plug, Tapered

1шт.

411

NSS

NOT SOLD SEPARAT

HOUSING, Gear

1шт.

5

VA30L1105101

GASKET

Gasket, Gear Housing

1шт.

6

VAMD008883

OIL SEAL

Seal, Oil

1шт.

7

VAF103506065

BOLT

Bolt

1шт.

8

VAMF241224

BOLT

4шт.

9

VAF103506035

BOLT

Bolt

3шт.

10

VAF103506055

BOLT

Bolt

4шт.

11

VA30L4707500

DRIVE PLATE

Plate, Guide

1шт.

Выбрано товаров: 23