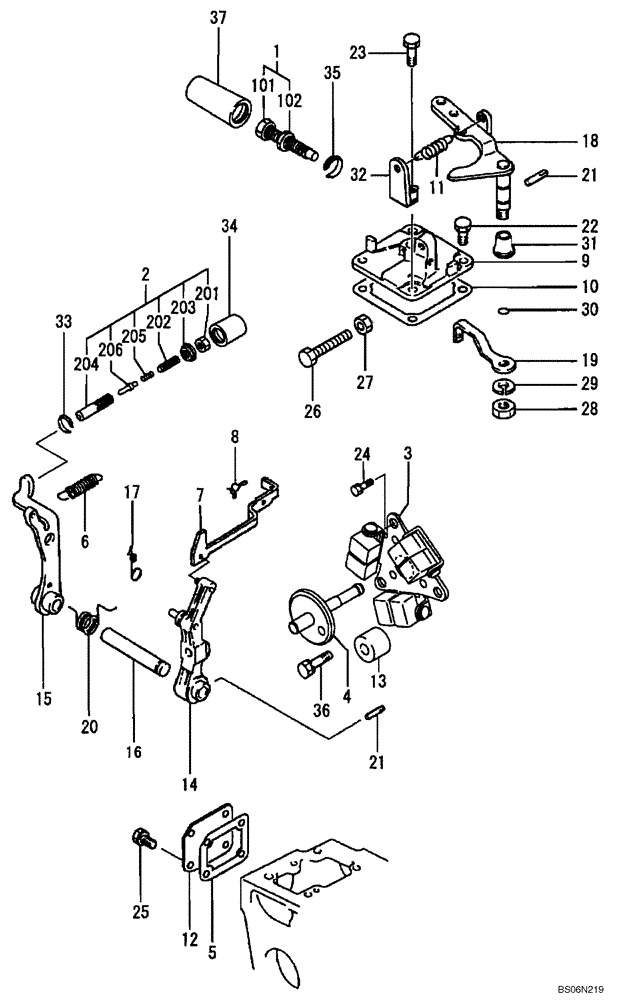
Запчасти Case CX17B (09-021[00]) - GOVERNOR PARTS (10) - ENGINE

Схема запчастей Case CX17B - (09-021[00]) - GOVERNOR PARTS (10) - ENGINE
13
16
2
30
24
3
23
36
7
4
18
1
6
102
5
25
20
10
204
101
35
203
206
14
22
8
32
19
29
15
201
205
33
34
37
21
202
12
21
9
11
31
28
26
27
17
FIT
1:1
100%

Артикул

Название

Примечание

Количество

GOVERNOR PARTS

1шт.

1

VA30L6300040

BOLT

Assy, High Speed

1шт.

101

VA30L6302200

BOLT

High Speed

1шт.

102

VA30L6302300

NUT

High Speed

1шт.

2

VA30L6308100

SPRING

Set, Torque

1шт.

201

VAMD000961

NUT

1шт.

202

VAMD019845

SCREW

Adjusting

1шт.

203

VA30L6300600

NUT

Torque Set

1шт.

204

VAMM434542

CASE

Torque Spring

1шт.

205

VAMM434797

SPRING

Torque

1шт.

206

VAMM434541

STOP

per, Spring

1шт.

3

VA30H6300030

WEIGHT

Assy, Governor

1шт.

4

VA30H6302100

SHAFT

Assy

1шт.

5

VA30L6305201

GASKET

Gasket, Tie Rod Cover

1шт.

6

VAMM433677

SPRING

Governor

1шт.

7

VA30L6306100

TIE-ROD

Tie Rod

1шт.

8

VA30L6323700

SPRING

Tie Rod

1шт.

9

VA30L6301500

COVER

Governor

1шт.

10

VA30L6305101

GASKET

Gasket, Governor Cover

1шт.

11

VAMM433675

SPRING

Governor

1шт.

12

VAMM433627

COVER

Tie Rod

1шт.

13

VAMM403988

STOP

per

1шт.

14

VAMM434830

LEVER

Assy, Governor

1шт.

15

VAMM434832

LEVER

Assy, Tension

1шт.

16

VAMM434872

GOVERNOR

Shaft, Governor

1шт.

17

VAMM43519801

SPRING

Tie Rod

1шт.

18

VA30L6304040

LEVER

Assy, Speed

1шт.

19

VAMM437431

LEVER

Governor

1шт.

20

VA30L6304600

SPRING

Start

1шт.

21

VAMM409239

GROOVED PIN

Pin, Grooved

2шт.

22

VAF103506012

BOLT

3шт.

23

VAMF101227

BOLT

1шт.

24

VAMF241222

SCREW

With Washer

2шт.

25

VAMF241224

BOLT

4шт.

26

VA31A6307900

BOLT

Low Idle Set

1шт.

27

VAF230006000

NUT

Nut

1шт.

28

VAF232008000

NUT

Nut, Jam

1шт.

29

VAF251508000

SPRING WASHER

1шт.

30

VAF315000700

RING

O-Ring

1шт.

31

VAMM438721

COVER

Governor Shaft

1шт.

32

VA30L6300300

SPRING

Hanger, Spring

1шт.

33

VA30L6300700

RING

C-Ring, Torque Set

1шт.

34

VA30L6300800

COVER

Torque Set

1шт.

35

VA30L6302600

RING

C-Ring, High Speed

1шт.

36

VAF180506025

BOLT

With Washer

1шт.

37

VA30L6302400

COVER

High Speed Set

1шт.

Выбрано товаров: 46