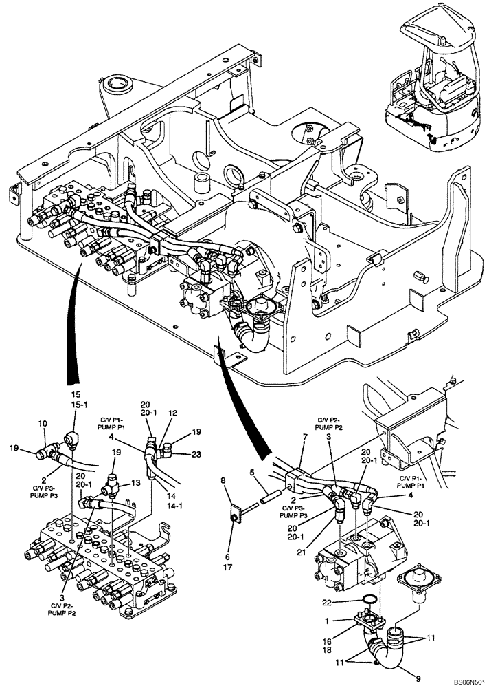
Запчасти Case CX17B (01-018[00]) - HYDRAULICS - PUMP TO CONTROL VALVE (PU30H00013F1) (35) - HYDRAULIC SYSTEMS

Схема запчастей Case CX17B - (01-018[00]) - HYDRAULICS - PUMP TO CONTROL VALVE (PU30H00013F1) (35) - HYDRAULIC SYSTEMS
8
20
11
2
20-1
19
14-1
11
10
15-1
17
20-1
21
1
19
12
5
13
6
4
20-1
15
9
22
20-1
20
3
7
16
18
23
20-1
3
20
14
2
20
19
4
20
FIT
1:1
100%

Артикул

Название

Примечание

Количество

PU30H00013F1

HYDRAULIC LINES, PUMP (PU30H00013F1)

1шт.

1

PU30H01039P1

TUBE

Tube

1шт.

2

HX25L06058DX

HOSE

Hose

1шт.

3

HX25L06044DX

HOSE

Hose

1шт.

4

HX35L06050DY

HOSE

Hose

1шт.

5

ZY26X04065

SPACER

Spacer

1шт.

6

HS28C08090G1

SCREW

Screw

1шт.

7

PU30H01035P1

RUBBER SLEEVE

Rubber

1шт.

8

PU30H01032P1

SUPPORT

Support

1шт.

9

PU30H01040P1

HOSE

Hose

1шт.

10

PU64H01003P1

ELBOW

1шт.

11

ZC16X04200

CLAMP

4шт.

12

PH03H01066P1

TEE

1шт.

13

PW64H01011P1

TEE

1шт.

14

2444Z3711

HYD CONNECTOR

1шт.

14-1

ZD12P01400

O-RING

1шт.

15

2444Z3155

90 ELBOW,PF 3/8" Fem x PF 3/8" Male

1шт.

15-1

ZD12P01400

O-RING

1шт.

16

ZW26K10000

LOCK WASHER

Lock

4шт.

17

ZW16H08000

WASHER

1шт.

18

ZS28C10025

SCREW,Hex Socket Head, M10 x 25mm

4шт.

19

ZE72X04000

PLUG

3шт.

20

HH35S06006G1

90 ELBOW,90 Degree, 3/8" PF x 3/8" PF x 60mm L

5шт.

20-1

ZD12P01400

O-RING

1шт.

21

HH25R06006G1

HYD CONNECTOR

1шт.

22

ZD12P03400

O-RING,0.139" Thk x 1.296" ID, -219, Cl 6, 90 Duro

1шт.

23

2444Z2894

90 ELBOW

1шт.

Выбрано товаров: 27