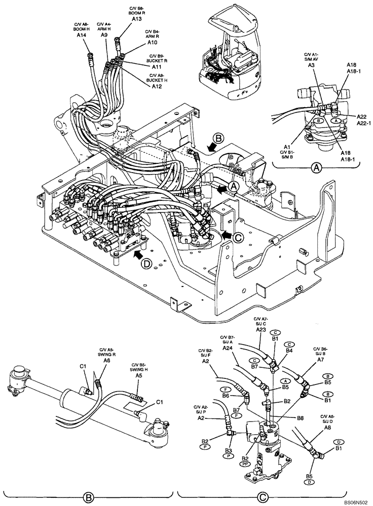
Запчасти Case CX17B (01-019[00]) - HYDRAULICS - UPPER / SWING MOTOR TO CYLINDER (PU03H00016F1, PU19H00018F1, PU42H00024F1) (35) - HYDRAULIC SYSTEMS

Схема запчастей Case CX17B - (01-019[00]) - HYDRAULICS - UPPER / SWING MOTOR TO CYLINDER (PU03H00016F1, PU19H00018F1, PU42H00024F1) (35) - HYDRAULIC SYSTEMS
b2
b7
b5
a11
b4
b5
a2
a5
a18-1
b7
b1
b2
a23
a9
a24
b5
b3
a2
a6
b1
a18
a18-1
a14
c1
a22-1
b6
a22
b1
a10
a12
a1
b8
c1
a13
a3
a18
a8
b2
a7
FIT
1:1
100%

Артикул

Название

Примечание

Количество

PU03H00016F1

HYDRAULIC LINES, UPPER (PU03H00016F1)

1шт.

a1

HX35L04046DX

HOSE

Hose

1шт.

a2

HX35L04060DX

HOSE

Hose

2шт.

a3

HX35L04062DX

HOSE

Hose

1шт.

a5

HX35L04080DX

HOSE

Hose

1шт.

a6

HX35L04078DX

HOSE

Hose

1шт.

a7

HX25L06046DY

HOSE ASSY.

1шт.

a8

HX35L06056DX

HOSE

Hose

1шт.

a9

PU03H01137P1

HOSE

Hose

1шт.

a10

PU03H01138P1

HOSE

Hose

1шт.

a11

PU03H01139P1

HOSE

Hose

1шт.

a12

PU03H01144P1

HOSE

Hose

1шт.

a13

PU03H01141P1

HOSE

Hose

1шт.

a14

PU03H01145P1

HOSE

Hose

1шт.

a18

HH35S04006G1

90 ELBOW,90 Degree, 1/4" PF x 3/8" PF x 60mm L

2шт.

a18-1

ZD12P01400

O-RING

2шт.

a22

2444Z3155

90 ELBOW,PF 3/8" Fem x PF 3/8" Male

1шт.

a22-1

ZD12P01400

O-RING

1шт.

a23

HX35L06044DY

HOSE

Hose

1шт.

a24

HX35L06036DY

HOSE

Hose

1шт.

PU19H00018F1

HYDRAULIC LINES, SWIVEL (PU19H00018F1)

1шт.

b1

2444Z2894

90 ELBOW

3шт.

b2

PM12H01001P1

ELBOW

3шт.

b3

HH35S04004G1

90 ELBOW

1шт.

b4

HH35S06004G1

90 ELBOW

1шт.

b5

HH45S06004G1

45 ELBOW

3шт.

b6

HH45S04004G1

45 ELBOW

1шт.

b7

2444Z2525

HYD CONNECTOR

2шт.

b8

PU19H01002P1

WIRE CONNECTOR

Connector

1шт.

PU42H00024F1

HYDRAULIC LINES, CYLINDER (PU42H00024F1)

1шт.

c1

HH25S04004G1

HYD CONNECTOR

2шт.

Выбрано товаров: 0