Запчасти Case CX17B (01-020[00]) - HYDRAULICS - UPPER / NIBBLER & BREAKER (PU03H00017F1) (35) - HYDRAULIC SYSTEMS

Схема запчастей Case CX17B - (01-020[00]) - HYDRAULICS - UPPER / NIBBLER & BREAKER (PU03H00017F1) (35) - HYDRAULIC SYSTEMS
6
6-1
9
4
1-5
1-8
1-6
4
13
1-2
2
7
1-4
11
1
17
6
9
6-1
1-9
1-3
1
1-6
7
5
14
17
3
1-1
1-7
16
12
5
FIT
1:1
100%

Артикул

Название

Примечание

Количество

PU03H00017F1

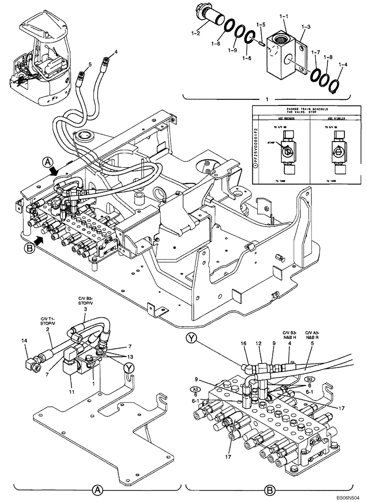
HYDRAULIC LINES, UPPER (PU03H00017F1)

1шт.

1

PF25V00001F2

VALVE

Stop

1шт.

1-1

PF25V00001S001

BODY

Valve, (with 1/2" Pipe Thread)

1шт.

1-2

PF25V00001S002

SHAFT

1шт.

1-3

PF25V00001S003

PLATE

1шт.

1-4

ZR16X03000

SNAP RING

Snap

1шт.

1-5

ZP26D05010

PIN

Spring

1шт.

1-6

ZD12G02500

O-RING,24.40mm ID x 30.60mm OD x 3.10mm

2шт.

1-7

ZD12G03000

O-RING,29.40mm ID x 35.60mm OD x 3.10mm

1шт.

1-8

ZD75G03000

BACK-UP RING

1шт.

1-9

ZD75G02500

BACK-UP RING

1шт.

2

HX35L06038DX

HOSE

Hose

1шт.

3

HX35L06034DX

HOSE

Hose

1шт.

4

PU03H01143P1

HOSE

Hose

1шт.

5

PU03H01135P1

HOSE

Hose

1шт.

6

HH25R06006GD

WIRE CONNECTOR

Connector

3шт.

6-1

ZD12P01400

O-RING

3шт.

7

HH35S06008G1

ELBOW

2шт.

9

HH25S06006G1

HYD CONNECTOR

2шт.

11

2444Z3715

90 ELBOW

1шт.

12

YN64H01048P1

TEE,90 Degree, PF 3/8" x PF 3/8", O-Ring

1шт.

13

ZM73C10025

BOLT,M10x25mm - Course Thread

M10x1.50x25mm (Incls. Washer)

2шт.

14

PR03H01056P1

ELBOW

Elbow

1шт.

16

HH45S06006G1

45 ELBOW

1шт.

17

PM22V00005FF

VALVE

Valve, Relief; See Figure 08-014

2шт.

Выбрано товаров: 25