Запчасти Case CX17B (01-021[00]) - HYDRAULICS - RETURN / NIBBLER & BREAKER (PU32H00018F1, 16F1) (35) - HYDRAULIC SYSTEMS

Схема запчастей Case CX17B - (01-021[00]) - HYDRAULICS - RETURN / NIBBLER & BREAKER (PU32H00018F1, 16F1) (35) - HYDRAULIC SYSTEMS
a24-1
a12-1
a13
a4
a2
a17
a24
a30
a12
a21
a21
a19
a7
a17
a22
a9
a5
a20
a23
a6
a22
a7
a26
a1
FIT
1:1
100%

Артикул

Название

Примечание

Количество

PU32H00018F1

HYDRAULIC LINES, RETURN (PU32H00018F1)

1шт.

PU32H00016F1

Hydraulic Lines, Return (PU32H00016F1)

1шт.

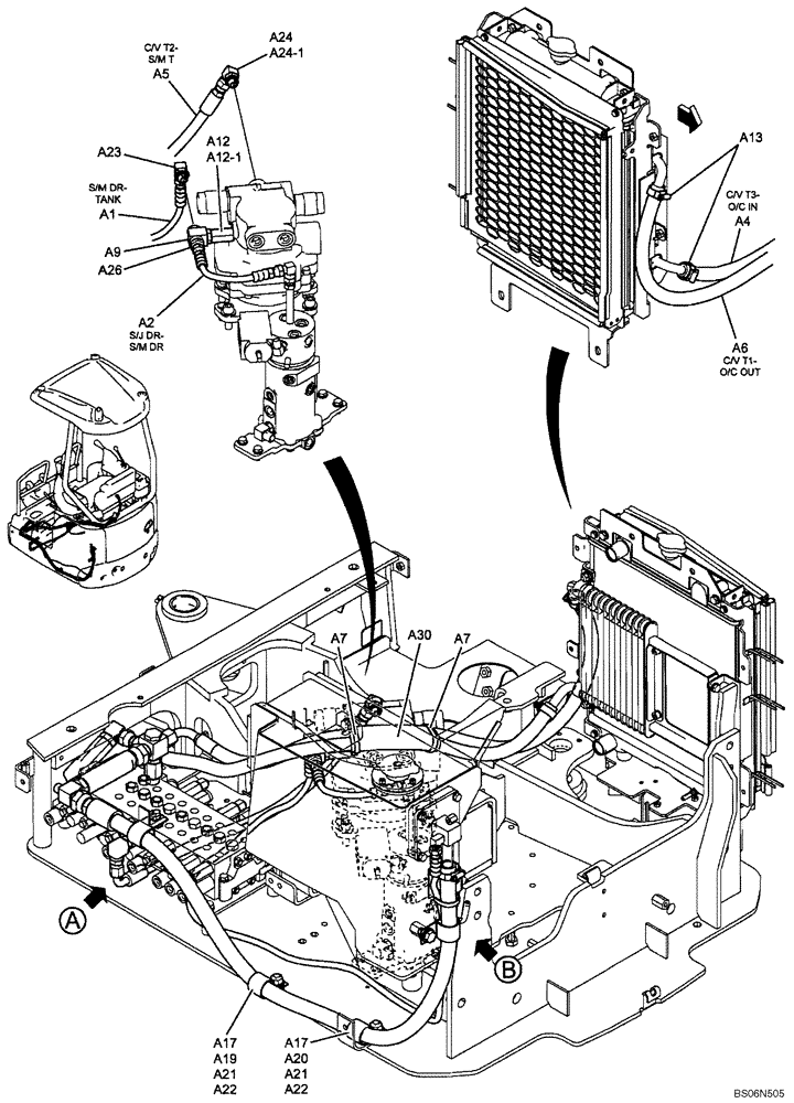
a1

HX23L04160DX

HOSE

Hose

1шт.

a2

HX23L04024DX

HOSE

Hose

1шт.

a4

PU32H01014D1

HOSE

Hose

1шт.

a5

HX32L06068DX

HOSE

Hose

1шт.

a6

PU32H01015D1

HOSE

Hose

1шт.

a7

PY01P01043D8

CABLE TIE,102mm L

2шт.

a9

YN64H01048P1

TEE,90 Degree, PF 3/8" x PF 3/8", O-Ring

1шт.

a12

2444P1098D1

HYD CONNECTOR

1шт.

a12-1

ZD12P01400

O-RING

1шт.

a13

ZC16X02400

CLIP

2шт.

a17

ZW16H12000

WASHER

2шт.

a19

ZM73C12030

BOLT,M12x30mm - Course Thread

Bolt

1шт.

a20

ZM73C12035

BOLT,M12x35mm - Course Thread

Bolt

1шт.

a21

ZN18C12010

NUT

2шт.

a22

ZC46X31014

CLIP

2шт.

a23

HH35S04006G1

90 ELBOW,90 Degree, 1/4" PF x 3/8" PF x 60mm L

1шт.

a24

HH35S06006G1

90 ELBOW,90 Degree, 3/8" PF x 3/8" PF x 60mm L

1шт.

a24-1

ZD12P01400

O-RING

1шт.

a26

HH25S04006G1

90 ELBOW

1шт.

a30

PM02B01293P1

GROMMET

Grommet

1шт.

Выбрано товаров: 0