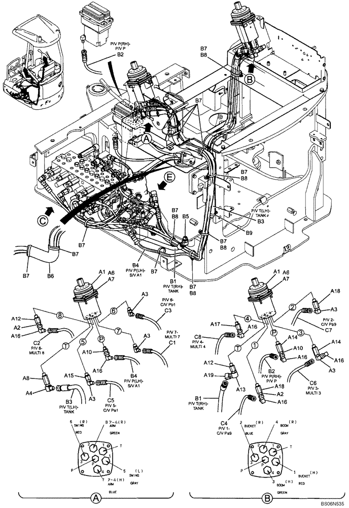
Запчасти Case CX17B (01-030[00]) - HYDRAULICS - REMOTE CONTROL LINES (PU64H00022F1, PU68H00033F1, 28F1, 34F1) (35) - HYDRAULIC SYSTEMS

Схема запчастей Case CX17B - (01-030[00]) - HYDRAULICS - REMOTE CONTROL LINES (PU64H00022F1, PU68H00033F1, 28F1, 34F1) (35) - HYDRAULIC SYSTEMS
a8
c4
b8
a13
a7
a19
a17
b8
6
b2
2
b3
a1
b7
a4
a16
a7
3
7-4
5
b4
a2
b7
b7
b1
b5
a16
3
b7
c6
b4
b7
a3
a14
b3
4
5
b7
8
2
a16
a12
6
a2
c1
c3
a14
a6
a18
a12
b1
a16
b7
b7
a10
b7-4
c8
b8
a6
a10
b9
7
a3
b6
4
a18
b7
1
c2
a1
b7
a3
c7
b2
b8
1
a3
a16
a3
b8
a16
c5
a15
FIT
1:1
100%

Артикул

Название

Примечание

Количество

CONTROL LINES, REMOTE (MULTI)

1шт.

PU64H00022F1

VALVE INSTAL (PU64H00022F1)

1шт.

a1

PX30V00043F1

VALVE

Pilot; See Figure 08-028

2шт.

a2

HH25S04004G1

HYD CONNECTOR

2шт.

a3

HH35S04004G1

90 ELBOW

5шт.

a4

HH35S06004G1

90 ELBOW

1шт.

a6

ZS28C06030

SCREW,Hex Socket Head, M6 x 30mm

6шт.

a7

ZW16P06000

WASHER

6шт.

a8

2444T2524

HYD CONNECTOR

1шт.

a10

HH25S04004G3

HYD CONNECTOR

2шт.

a12

2444Z2525

HYD CONNECTOR

2шт.

a13

2444Z2894

90 ELBOW

Elbow

1шт.

a14

2444T2524D2

HYD CONNECTOR

2шт.

a15

YX42H01085P1

CONNECTION

Connector

1шт.

a16

PM12H01001P1

ELBOW

6шт.

a17

PU64H01036P1

WIRE CONNECTOR

Connector

1шт.

a18

PU64H01041P1

WIRE CONNECTOR

Connector

2шт.

a19

HH45S06004G1

45 ELBOW

1шт.

PU68H00033F1

CONTROL LINES, REMOTE (PU68H00033F1)

1шт.

PU68H00028F1

CONTROL LINES, REMOTE (PU68H00028F1)

1шт.

b1

HX22L06200DY

HOSE

Hose

1шт.

b2

HX23L04125DX

HOSE

Hose

1шт.

b3

PW68H01023DB

HOSE,9.5mm ID x 760mm L

1шт.

b4

HX23L04145DX

HOSE

Hose

1шт.

b5

HH45S06006G1

45 ELBOW

1шт.

b6

PU68H01062P1

COVER

Cover

1шт.

b7

PY01P01043D8

CABLE TIE,102mm L

13шт.

b8

YN13E01375P1

CLIP,M8 x 8.20mm Shank

Clip

5шт.

b9

ZC16X01800

CLIP

1шт.

PU68H00034F1

CONTROL LINES, REMOTE (PU68H00034F1)

1шт.

c1

PU68H01041D2

HOSE

Hose

1шт.

c2

PU68H01042D3

HOSE

Hose

1шт.

c3

PU68H01044D1

HOSE

Hose

1шт.

c4

PU68H01045D1

HOSE

Hose

1шт.

c5

PU68H01047D4

HOSE

Hose

1шт.

c6

PU68H01059D3

HOSE

Hose

1шт.

c7

PU68H01061D2

HOSE

Hose

1шт.

c8

PU68H01061D4

HOSE

Hose

1шт.

Выбрано товаров: 38