Запчасти Case CX17B (05-004[00]) - HYDRAULIC LINES - ARM, LONG 1.20M (4 FT) (PU43H00022F1) (35) - HYDRAULIC SYSTEMS

Схема запчастей Case CX17B - (05-004[00]) - HYDRAULIC LINES - ARM, LONG 1.20M (4 FT) (PU43H00022F1) (35) - HYDRAULIC SYSTEMS
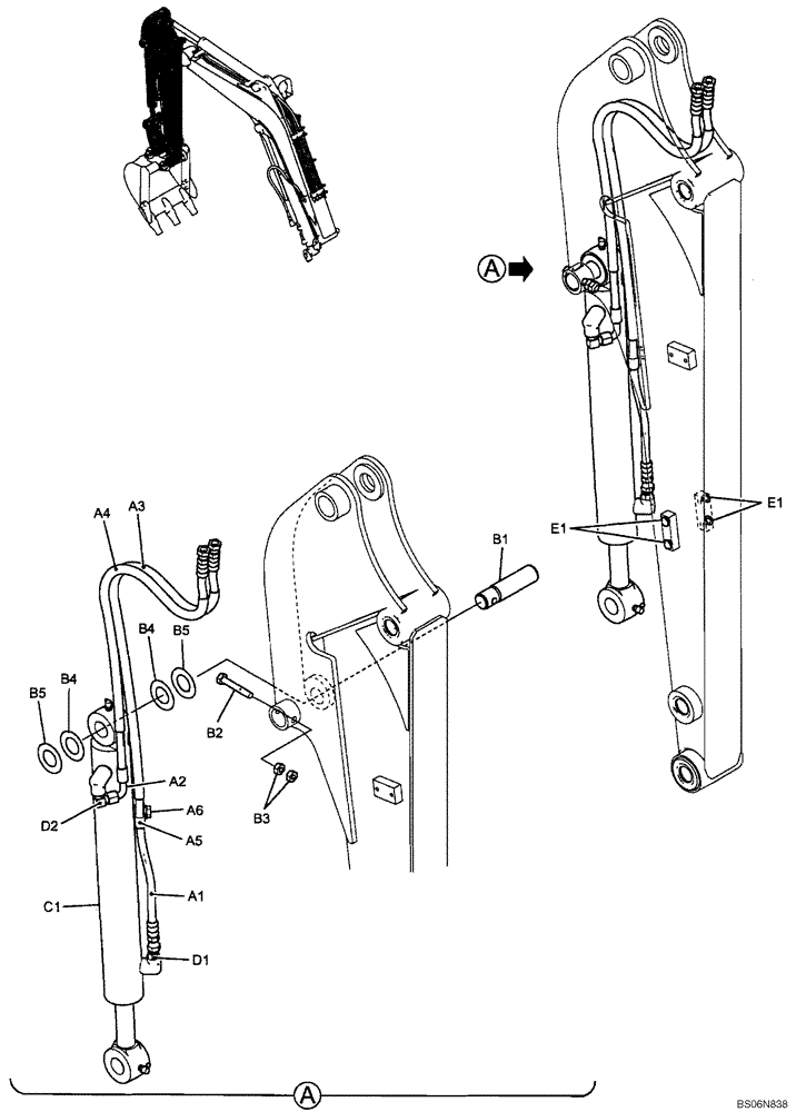
e1
a2
d2
c1
b1
a4
b4
a6
d1
b4
b3
a3
a1
a5
b2
b5
b5
e1
FIT
1:1
100%

Артикул

Название

Примечание

Количество

PU43H00022F1

HYDRAULIC LINES, ARM 1.20M (4 FT) (PU43H00022F1)

1шт.

a1

HX25L04115DY

HOSE

Hose

1шт.

a2

HX35L04082DY

HOSE

Hose

1шт.

a3

PW68H01005DA

TUBE

Guard

1шт.

a4

PW68H01005D7

TUBE

Guard

1шт.

a5

ZC46X12011

CLIP

1шт.

a6

ZM73C10016

BOLT,M10x16mm - Course Thread

Bolt

1шт.

PU12B00043F1

CYLINDER INSTAL (PU12B00043F1)

1шт.

PU12B00036F1

Cylinder Instal

1шт.

b1

PU12B01138P1

PIN

Pin

1шт.

b2

HS18C10065G2

CAPSCREW

1шт.

b3

ZN18C10008

NUT

2шт.

b4

PE12B01048D3

SHIM,0.5mm Thk

2шт.

b5

PE12B01048D2

SHIM,1.0mm Thk

2шт.

c1

PU01V00035F1

CYLINDER

Cylinder, Bucket

1шт.

PU43H00020F1

HYDRAULIC LINES, CYLINDER (PU43H00020F1)

1шт.

d1

HH25S04004G1

HYD CONNECTOR

1шт.

d2

HH35S04004G1

90 ELBOW

1шт.

PW43H01036F1

CAP ASSY (PW43H01036F1)

1шт.

e1

PV02B01073D4

CAP

4шт.

Выбрано товаров: 20