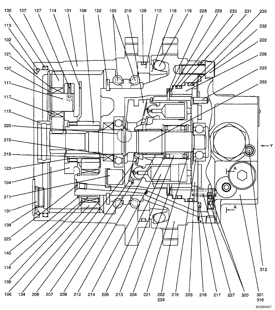
Запчасти Case CX17B (08-020[00]) - MOTOR ASSY, PROPELLING (PU15V00021F1) (35) - HYDRAULIC SYSTEMS

Схема запчастей Case CX17B - (08-020[00]) - MOTOR ASSY, PROPELLING (PU15V00021F1) (35) - HYDRAULIC SYSTEMS
137
119
129
114
130
213
216
134
113
111
224
139
140
208
222
207
104
221
101
211
108
117
227
115
102
218
229
112
107
205
312
206
225
106
116
120
232
231
228
131
138
215
316
118
121
223
230
233
320
204
226
219
202
212
122
220
203
127
217
214
301
210
123
209
FIT
1:1
100%

Артикул

Название

Примечание

Количество

PU15V00021F1

HYDRAULIC MOTOR

MOTOR ASSY, PROPELLING (PU15V00021F1)

1шт.

101

PU15V00018S101

Body

1шт.

102

PA15V00002S102

COVER

1шт.

104

NSS

NOT SOLD SEPARAT

CARRIER

1шт.

106

PU15V00018S106

GEAR

Gear

4шт.

107

NSS

NOT SOLD SEPARAT

GEAR

3шт.

108

NSS

NOT SOLD SEPARAT

GEAR

1шт.

111

NSS

NOT SOLD SEPARAT

PIN

3шт.

112

PA15V00002S112

SNAP RING

Seal, Ring

1шт.

113

PA15V00002S113

SNAP RING

O-Ring

1шт.

114

PU15V00018S114

PLATE

Plate

1шт.

115

PU15V00018S115

RING

Ring, Slide

1шт.

116

PU15V00018S116

NEEDLE BEARING

Needle

96шт.

117

NSS

NOT SOLD SEPARAT

NEEDLE

39шт.

118

PA15V00002S118

GASKET

Seat, Floating; 119

1шт.

120

PU15V00018S120

BEARING

Bearing

2шт.

121

NSS

NOT SOLD SEPARAT

WASHER

6шт.

122

NSS

NOT SOLD SEPARAT

RING, SNAP

1шт.

123

PM15V00007S018

RING

SNAP

1шт.

127

NSS

NOT SOLD SEPARAT

PIN, SPRING

3шт.

129

ZD11G13000

O-RING,129.40mm ID x 135.60mm OD x 3.10mm

1шт.

130

PU15V00018S130

O-RING

O-Ring

1шт.

131

PH15V00002S132

PLUG

2шт.

134

PU15V00018S134

WASHER

Washer

4шт.

137

NSS

NOT SOLD SEPARAT

RING, SNAP

3шт.

138

PU15V00018S138

RING

Ring

4шт.

139

ZD12P01400

O-RING

2шт.

140

PU15V00018S140

SNAP RING

Ring, Snap

4шт.

202

NSS

NOT SOLD SEPARAT

BODY

1шт.

203

NSS

NOT SOLD SEPARAT

SHAFT

1шт.

204

NSS

NOT SOLD SEPARAT

BARREL, CYLINDER

1шт.

205

NSS

NOT SOLD SEPARAT

PLATE, VALVE

1шт.

206

NSS

NOT SOLD SEPARAT

PISTON

7шт.

207

NSS

NOT SOLD SEPARAT

SHOE

7шт.

208

NSS

NOT SOLD SEPARAT

HOLDER, SHOE

1шт.

209

NSS

NOT SOLD SEPARAT

HOLDER, BARREL

1шт.

210

PU15V00018S210

PLATE

Plate

1шт.

211

NSS

NOT SOLD SEPARAT

PISTON

1шт.

212

NSS

NOT SOLD SEPARAT

PIN

3шт.

213

NSS

NOT SOLD SEPARAT

SPRING

1шт.

214

NSS

NOT SOLD SEPARAT

RETAINER

2шт.

215

NSS

NOT SOLD SEPARAT

BEARING

1шт.

216

PU15V00018S218

BEARING

Bearing

1шт.

217

ZD12G10500

O-RING,104.40mm ID x 110.60mm OD x 3.10mm

1шт.

218

ZD12P00600

O-RING

2шт.

219

PR15V00004S084

OIL SEAL

Oil Seal

1шт.

220

PA15V01001S220

BALL

Ball

2шт.

221

ZR26X02800

RING

Retaining

1шт.

222

ZS23C08020

SCREW,Hex Socket Head, M8 x 20mm

7шт.

223

ZP26D05012

PIN

Spring

1шт.

224

PM15V00008S022

PIN

1шт.

225

NSS

NOT SOLD SEPARAT

PLUG

1шт.

226

PU15V00018S226

Piston, Brake

1шт.

227

PU15V00018S227

Spring

12шт.

228

PU15V00018S228

Plate, Disk

1шт.

229

PU15V00018S229

Plate, Steel

1шт.

230

ZD12G09500

O-RING,3.1mm Thk x 94.4mm ID, 90 Duro

O-Ring

1шт.

231

ZD12G09000

O-RING,89.40mm ID x 95.60mm OD x 3.10mm

1шт.

232

ZD75G09500

BACK-UP RING

1шт.

233

ZD75G09000

RING

1шт.

301

NSS

NOT SOLD SEPARAT

BODY

1шт.

312

2437U401S47

PLUG

7шт.

316

EZ35V00003S006

PLUG

Plug

2шт.

320

NSS

NOT SOLD SEPARAT

CHOKE

2шт.

k

PU15V00018R400

CARRIER

REPAIR KIT; Includes 104x1, 107x3, 108x1, 111x3, 117x39, 121x6, 123x1, 127x3, 137x3

1шт.

k

PU15V00021R410

REPAIR KIT

REPAIR KIT; Includes 216x1, 223x1, 301x1, 302x1, 303x2, 304x2, 305x1, 306x1, 307x2, 308x2, 309x1, 310x2, 311x2, 312x8, 313x5, 314x2, 316x2, 317x2, 318x2, 319x2, 320x2, 321x2, 322x6

1шт.

k

PU15V00021R420

REPAIR KIT

REPAIR KIT; Includes 202x1, 211x1, 219x1, 225x1

1шт.

k

PU15V00018R430

REPAIR KIT

REPAIR KIT; Includes 203x1, 215x1

1шт.

k

PU15V00018R440

REPAIR KIT

REPAIR KIT; Includes 204x1, 205x1, 206x7, 207x7, 208x1, 209x1, 212x3, 213x1, 214x2, 221x1

1шт.

k

PU15V00018R450

O-RING

REPAIR KIT; Includes 129x1, 130x1, 136x1, 139x2

1шт.

k

PU15V00021R460

REPAIR KIT

REPAIR KIT; Includes 217x1, 218x2, 219x1, 230x1, 231x1, 232x1, 233x1, 318x2, 319x2

1шт.

k

PU15V00018R470

REPAIR KIT

REPAIR KIT; Includes 122x3

1шт.

Выбрано товаров: 0