Запчасти Case CX17B (08-020[01]) - MOTOR ASSY, PROPELLING (PU15V00021F1) (35) - HYDRAULIC SYSTEMS

Схема запчастей Case CX17B - (08-020[01]) - MOTOR ASSY, PROPELLING (PU15V00021F1) (35) - HYDRAULIC SYSTEMS
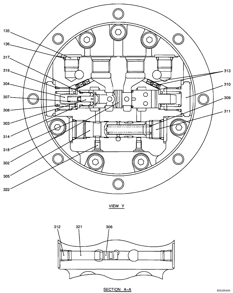
302
310
314
135
312
303
136
319
309
317
308
307
313
304
322
321
306
305
311
318
FIT
1:1
100%

Артикул

Название

Примечание

Количество

PU15V00021F1

HYDRAULIC MOTOR

MOTOR ASSY, PROPELLING (PU15V00021F1)

1шт.

135

PM22V00004S006

PLUG

1шт.

136

ZD12P01100

O-RING

1шт.

302

NSS

NOT SOLD SEPARAT

SPOOL

1шт.

303

NSS

NOT SOLD SEPARAT

VALVE, CHECK

2шт.

304

NSS

NOT SOLD SEPARAT

GUIDE, SPRING

2шт.

305

NSS

NOT SOLD SEPARAT

SPOOL

1шт.

306

NSS

NOT SOLD SEPARAT

SPOOL

1шт.

307

NSS

NOT SOLD SEPARAT

SPRING

2шт.

308

NSS

NOT SOLD SEPARAT

SPRING

2шт.

309

NSS

NOT SOLD SEPARAT

SPRING

1шт.

310

PA15V01002S310

PLUG

2шт.

311

PH15V00002S225

PLUG

2шт.

312

2437U401S47

PLUG

1шт.

313

NSS

NOT SOLD SEPARAT

CHOKE

5шт.

314

NSS

NOT SOLD SEPARAT

RING

2шт.

317

NSS

NOT SOLD SEPARAT

O-RING

2шт.

318

ZD12P01400

O-RING

2шт.

319

ZD12P01800

O-RING

2шт.

321

NSS

NOT SOLD SEPARAT

PIN

2шт.

322

NSS

NOT SOLD SEPARAT

PLUG

6шт.

k

PU15V00021R410

REPAIR KIT

REPAIR KIT; Includes 216x1, 223x1, 301x1, 302x1, 303x2, 304x2, 305x1, 306x1, 307x2, 308x2, 309x1, 310x2, 311x2, 312x8, 313x5, 314x2, 316x2, 317x2, 318x2, 319x2, 320x2, 321x2, 322x6

1шт.

k

PU15V00018R450

O-RING

REPAIR KIT; Includes 129x1, 130x1, 136x1, 139x2

1шт.

k

PU15V00021R460

REPAIR KIT

REPAIR KIT; Includes 217x1, 218x2, 219x1, 230x1, 231x1, 232x1, 233x1, 318x2, 319x2

1шт.

Выбрано товаров: 24