Запчасти Case CX17B (02-002[03]) - MOTOR INSTAL, PROPEL (35) - HYDRAULIC SYSTEMS

Схема запчастей Case CX17B - (02-002[03]) - MOTOR INSTAL, PROPEL (35) - HYDRAULIC SYSTEMS
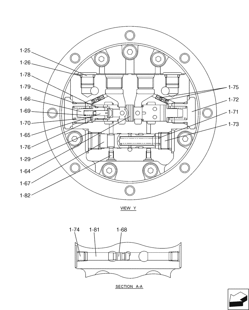
1-67
1-64
1-29
1-82
1-78
1-65
1-76
1-79
1-26
1-72
1-68
1-73
1-75
1-70
1-71
1-66
1-69
1-74
1-81
1-25
FIT
1:1
100%

Артикул

Название

Примечание

Количество

PU53D00016F1

Motor Instal, Propel (With Parking Brake)

1шт.

1

PU15V00021F1

HYDRAULIC MOTOR

Propel

2шт.

1-1

PU15V00018S101

Body

1шт.

1-2

PA15V00002S102

COVER

1шт.

1-3

NSS

NOT SOLD SEPARAT

Carrier

1шт.

1-4

PU15V00018S106

GEAR

4шт.

1-5

NSS

NOT SOLD SEPARAT

Gear

3шт.

1-6

NSS

NOT SOLD SEPARAT

Gear

1шт.

1-7

NSS

NOT SOLD SEPARAT

Pin

3шт.

1-8

PA15V00002S112

SNAP RING

Seal

1шт.

1-9

PA15V00002S113

SNAP RING

1шт.

1-10

PU15V00018S114

PLATE

1шт.

1-11

PU15V00018S115

RING

1шт.

1-12

PU15V00018S116

NEEDLE BEARING

96шт.

1-13

NSS

NOT SOLD SEPARAT

Bearing, Needle

39шт.

1-14

PA15V00002S118

GASKET

Seat

1шт.

1-15

NSS

NOT SOLD SEPARAT

O-Ring

1шт.

1-16

PU15V00018S120

BEARING

2шт.

1-17

NSS

NOT SOLD SEPARAT

Washer, Thrust

6шт.

1-18

NSS

NOT SOLD SEPARAT

Ring, Snap

1шт.

1-19

PU15V00018S123

RING

1шт.

1-20

NSS

NOT SOLD SEPARAT

Pin

3шт.

1-21

ZD11G13000

O-RING,129.40mm ID x 135.60mm OD x 3.10mm

1шт.

1-22

PU15V00018S130

O-RING

1шт.

1-23

PH15V00002S132

PLUG

2шт.

1-24

PU15V00018S134

WASHER

Thrust

4шт.

1-25

PM22V00004S006

PLUG

1шт.

1-26

ZD12P01100

O-RING

1шт.

1-29

ZD12P01400

O-RING

4шт.

1-27

NSS

NOT SOLD SEPARAT

Ring, Snap

3шт.

1-28

PU15V00018S138

RING

4шт.

1-30

PU15V00018S140

SNAP RING

4шт.

1-31

NSS

NOT SOLD SEPARAT

Body

1шт.

1-32

NSS

NOT SOLD SEPARAT

Shaft

1шт.

1-33

NSS

NOT SOLD SEPARAT

Cylinder, Barrel

1шт.

1-34

NSS

NOT SOLD SEPARAT

Plate

1шт.

1-35

NSS

NOT SOLD SEPARAT

Piston

7шт.

1-36

NSS

NOT SOLD SEPARAT

Shoe

7шт.

1-37

NSS

NOT SOLD SEPARAT

Shoe, Holder

1шт.

1-38

NSS

NOT SOLD SEPARAT

Barrel, Holder

1шт.

1-39

PU15V00018S210

PLATE

1шт.

1-40

NSS

NOT SOLD SEPARAT

Piston

1шт.

1-41

NSS

NOT SOLD SEPARAT

Pin

3шт.

1-42

NSS

NOT SOLD SEPARAT

Spring

1шт.

1-43

NSS

NOT SOLD SEPARAT

Retainer

2шт.

1-44

NSS

NOT SOLD SEPARAT

Bearing

1шт.

1-45

PU15V00018S218

BEARING

1шт.

1-46

ZD12G10500

O-RING,104.40mm ID x 110.60mm OD x 3.10mm

1шт.

1-47

ZD12P00600

O-RING

2шт.

1-48

PR15V00004S084

OIL SEAL

1шт.

1-49

PA15V01001S220

BALL

2шт.

1-50

ZR26X02800

RING

Snap

1шт.

1-51

ZS23C08020

SCREW,Hex Socket Head, M8 x 20mm

Cap

7шт.

1-52

ZP26D05012

PIN

Spring

1шт.

1-53

PM15V00008S022

PIN

1шт.

1-54

NSS

NOT SOLD SEPARAT

Plug

1шт.

1-55

PU15V00021S226

PISTON

1шт.

1-56

PU15V00021S227

SPRING

12шт.

1-57

PU15V00021S228

PLATE

1шт.

1-58

PU15V00021S229

PLATE

1шт.

1-59

ZD12G09500

O-RING,3.1mm Thk x 94.4mm ID, 90 Duro

O-Ring

1шт.

1-60

ZD12G09000

O-RING,89.40mm ID x 95.60mm OD x 3.10mm

1шт.

1-61

ZD75G09500

BACK-UP RING

1шт.

1-62

ZD75G09000

RING

Back-Up

1шт.

1-63

NSS

NOT SOLD SEPARAT

Body

1шт.

1-64

NSS

NOT SOLD SEPARAT

Spool

1шт.

1-65

NSS

NOT SOLD SEPARAT

Valve, Check

2шт.

1-66

NSS

NOT SOLD SEPARAT

Spring, Guide

2шт.

1-67

NSS

NOT SOLD SEPARAT

Spool

1шт.

1-68

NSS

NOT SOLD SEPARAT

Spool

1шт.

1-69

NSS

NOT SOLD SEPARAT

Spring

2шт.

1-70

NSS

NOT SOLD SEPARAT

Spring

2шт.

1-71

NSS

NOT SOLD SEPARAT

Spring

1шт.

1-72

PA15V01002S310

PLUG

2шт.

1-73

PH15V00002S225

PLUG

2шт.

1-74

2437U401S47

PLUG

10шт.

1-75

NSS

NOT SOLD SEPARAT

Choke

5шт.

1-76

NSS

NOT SOLD SEPARAT

Ring

2шт.

1-77

EZ35V00003S006

PLUG

2шт.

1-78

NSS

NOT SOLD SEPARAT

O-Ring

2шт.

1-79

ZD12P01800

O-RING

2шт.

1-80

NSS

NOT SOLD SEPARAT

Choke

2шт.

1-81

NSS

NOT SOLD SEPARAT

Pin

2шт.

1-82

NSS

NOT SOLD SEPARAT

Plug

6шт.

2

ZS28C10025

SCREW,Hex Socket Head, M10 x 25mm

30шт.

3

PE53D00001P1

SPROCKET

2шт.

PU15V00018R400

CARRIER

Repair Kit, Includes Ref. 1-3(1), 1-6(1), 1-19(1), 1-5(3), 1-7(3), 1-20(3), 1-27(3), 1-17(6), 1-13(39)

1шт.

PU15V00021R410

REPAIR KIT

Includes Ref. 1-45(1), 1-52(1), 1-63(1), 1-64(1), 1-67(1), 1-68(1), 1-71(1), 1-29(2), 1-65(2), 1-66(2), 1-69(2), 1-70(2), 1-72(2), 1-73(2), 1-76(2), 1-77(2), 1-78(2), 1-79(2), 1-80(2), 1-81(2), 1-75(5), 1-82(6), 1-74(10)

1шт.

PU15V00021R420

REPAIR KIT

Includes Ref. 1-31(1), 1-40(1), 1-48(1), 1-54(1)

1шт.

PU15V00018R430

REPAIR KIT

Includes Ref. 1-32(1), 1-44(1)

1шт.

PU15V00021R440

REPAIR KIT

Includes Ref. 1-33(1),1-34(1), 1-37(1), 1-38(1), 1-42(1), 1-50(1), 1-43(2), 1-41(3), 1-35(7), 1-36(7)

1шт.

PU15V00018R450

O-RING

Repair Kit, Includes Ref. 1-21(1), 1-22(1), 1-26(1), 1-29(2)

1шт.

PU15V00021R460

REPAIR KIT

Includes Ref. 1-46(1), 1-48(1), 1-59(1), 1-60(1), 1-61(1), 1-62(1), 1-29(2), 1-47(2), 1-79(2)

1шт.

PU15V00018R470

REPAIR KIT

Includes Ref. 1-18(3)

1шт.

Выбрано товаров: 94