Качественные детали и логистика
Оригинальные и аналоговые запчасти с доставкой по России, Казахстану и Беларуси
©2022 PartSell ООО "Система" ИНН 2463123282 ОГРН 1212400004838
Центральный офис: г. Красноярск, Академика Киренского, д.87, пом.4
Телефон: 8 (800) 777-65-74 Email: zakaz@partsell.ru
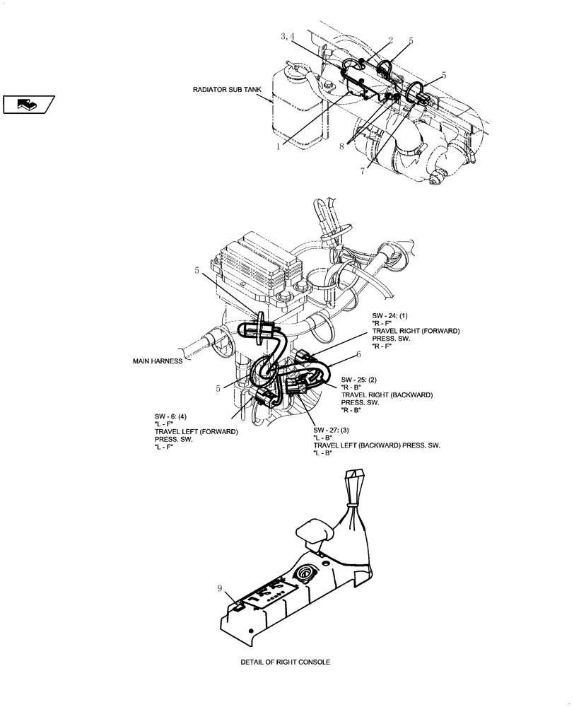
(01-048[01]) - ALARM, ASSY
№
Артикул
Название
Примечание
Количество
1
PW53S00002F1
REVERSE ALARM,DC12V, 0.3 Amp
1шт.
2
PU53E01008P1
BRACKET
3
ZM61C05012
BOLT
4шт.
4
ZN18C05004
NUT
5
PY01P01043D3
CABLE TIE,188mm L
6
PW13E01069P1
HARNESS
Travel Alarm
7
PU13E01056P1
8
ZM73C06016
BOLT,M6x16mm - Course Thread
2шт.
9
2479U1190F16
SWITCH
Выбрано товаров: 0