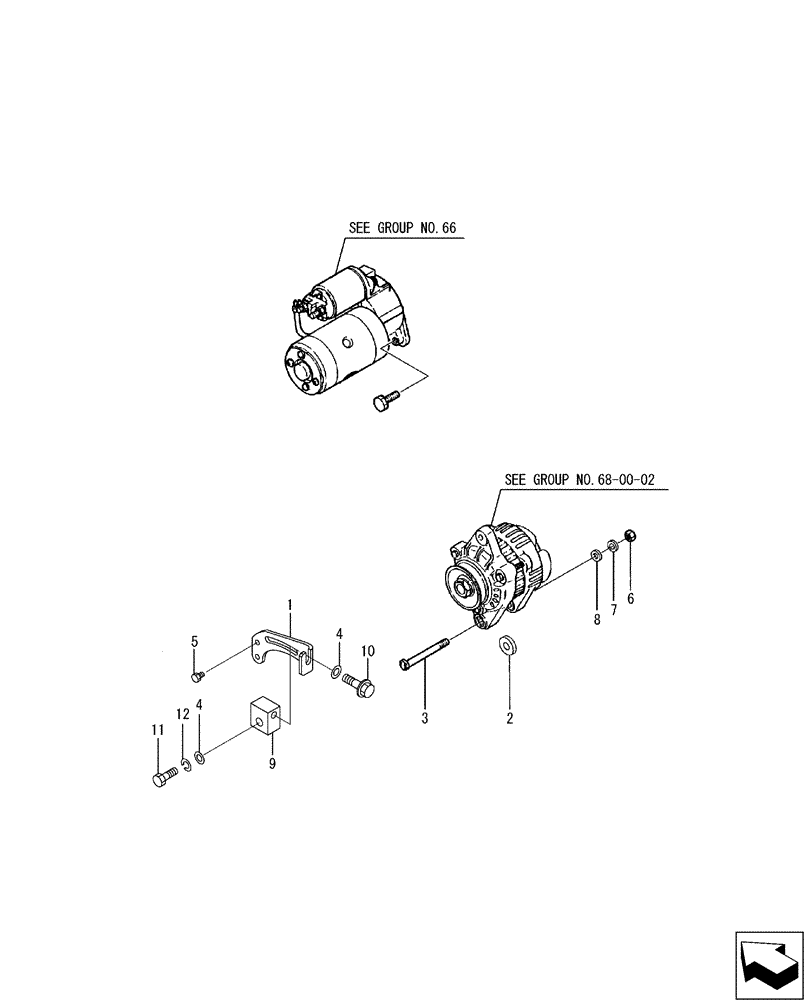
Запчасти Case CX17B (08-027) - GENERATOR (55) - ELECTRICAL SYSTEMS

Схема запчастей Case CX17B - (08-027) - GENERATOR (55) - ELECTRICAL SYSTEMS
12
7
8
10
6
2
3
9
4
4
1
11
5
FIT
1:1
100%

Артикул

Название

Примечание

Количество

1

VA30L6800900

PLATE

Adjusting

1шт.

2

VA9152000700

WASHER

1шт.

3

VAMD001515

SCREW

1шт.

4

VAMD001521

WASHER

2шт.

5

VAMF241224

BOLT

W/washer

1шт.

6

VAMF430005

NUT

1шт.

7

VAMF450405

WASHER

Spring

1шт.

8

VAMS450035

WASHER

Plain

1шт.

9

VA30L6801100

BLOCK

Alternator

1шт.

10

VA3746304900

BOLT

Set

1шт.

11

VAF103508040

BOLT

1шт.

12

VAF251508000

SPRING WASHER

1шт.

Выбрано товаров: 12