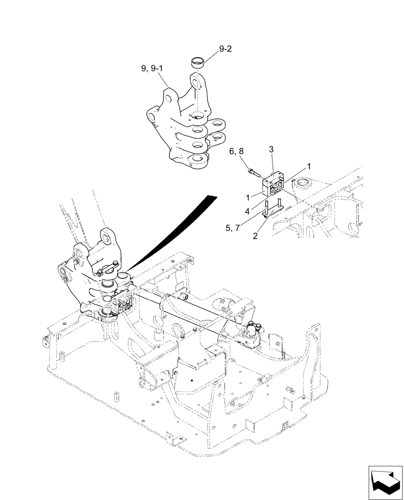
Запчасти Case CX17B (01-004) - BRACKET GROUP, SWING - NIBBLER AND BREAKER (84) - BOOMS, DIPPERS & BUCKETS

Схема запчастей Case CX17B - (01-004) - BRACKET GROUP, SWING - NIBBLER AND BREAKER (84) - BOOMS, DIPPERS & BUCKETS
8
2
4
7
1
9-1
9
9-2
5
6
3
1
FIT
1:1
100%

Артикул

Название

Примечание

Количество

PU02B00102F1

Bracket Group, Swing, Nibbler & Breaker

1шт.

1

PU02B01201P1

PLATE

2шт.

2

PU02B01202P1

PLATE

1шт.

3

PU02B01203P1

PLATE

1шт.

4

PU02B01216P1

RUBBER SLEEVE

1шт.

5

ZS18C10080

SCREW,Hex, M10 x 80mm

Cap

2шт.

6

ZS28C10055

SCREW,Hex Socket Head, M10 x 55mm

Cap

2шт.

7

ZW16H10000

WASHER

2шт.

8

ZW26X10000

LOCK WASHER

2шт.

9

PU02B00093F1

BRACKET

Swing

1шт.

9-1

PU02B00094P1

Bracket, Swing

1шт.

9-2

PU02B01208P1

BUSHING

1шт.

Выбрано товаров: 12