Запчасти Case CX17B (01-022[03]) - HYD LINES, UPP - NIBBLER AND BREAKER (35) - HYDRAULIC SYSTEMS

Схема запчастей Case CX17B - (01-022[03]) - HYD LINES, UPP - NIBBLER AND BREAKER (35) - HYDRAULIC SYSTEMS
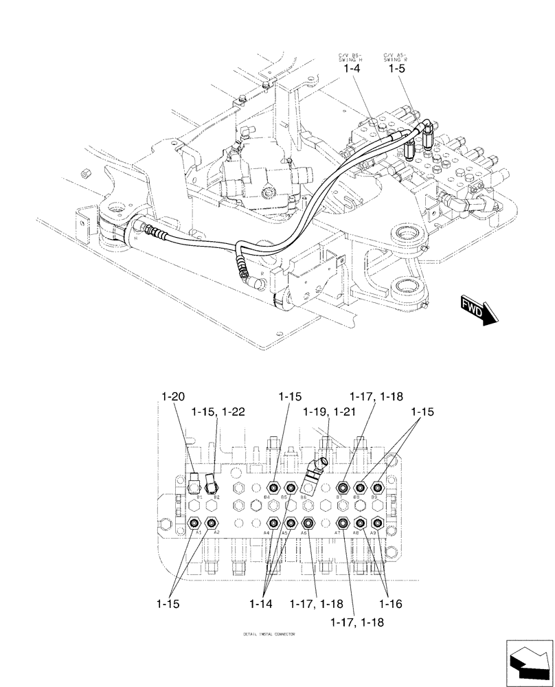
1-18
1-17
1-15
1-19
1-14
1-16
1-22
1-15
1-18
1-15
1-17
1-18
1-21
1-5
1-15
1-17
1-20
1-4
FIT
1:1
100%

Артикул

Название

Примечание

Количество

PU03H00023F1

Hyd. Lines, Upp (Nibbler & Breaker)

1шт.

1

PU03H00022F1

Hyd. Lines, Upp

1шт.

1-1

HX35L04046DX

HOSE

1шт.

1-2

HX35L04046DX

HOSE

1шт.

1-3

HX35L04060DX

HOSE

2шт.

1-4

HX35L04084DX

HOSE

1шт.

1-5

HX35L04080DX

HOSE

1шт.

1-6

HX35L06054DX

HOSE

1шт.

1-7

HX35L06046DY

HOSE

1шт.

1-8

HX35L06036DY

HOSE

1шт.

1-9

HX25L06046DY

HOSE ASSY.

1шт.

1-10

PU03H01159D1

HOSE

2шт.

1-11

PU03H01159D2

HOSE

2шт.

1-12

PU03H01159D3

HOSE

1шт.

1-13

PU03H01159D4

HOSE

1шт.

1-14

PU03H01158P1

HYD CONNECTOR

3шт.

1-15

HH25S04006G1

90 ELBOW

6шт.

1-16

PF03H01018P1

WIRE CONNECTOR

2шт.

1-17

HH25S06006G1

HYD CONNECTOR

3шт.

1-18

2444Z2891

HYD CONNECTOR

3шт.

1-19

YT42H01128P1

90 ELBOW

2шт.

1-21

HH45S06006G1

45 ELBOW

1шт.

1-20

HH35S04006G1

90 ELBOW,90 Degree, 1/4" PF x 3/8" PF x 60mm L

3шт.

1-22

PM12H01001P1

ELBOW

1шт.

1-23

PM03M01339P1

RUBBER

1шт.

1-24

PY01P01043D8

CABLE TIE,102mm L

3шт.

Выбрано товаров: 26