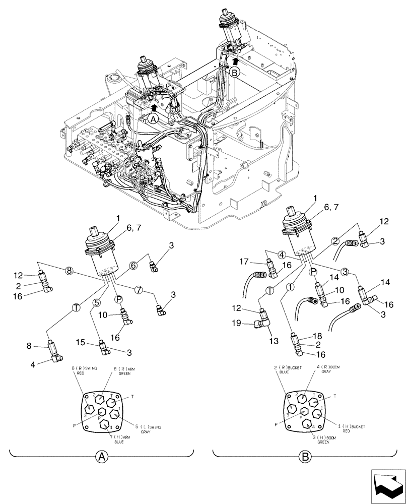
Запчасти Case CX17B (01-026[01]) - VALVE INSTAL (35) - HYDRAULIC SYSTEMS

Схема запчастей Case CX17B - (01-026[01]) - VALVE INSTAL (35) - HYDRAULIC SYSTEMS
4
10
3
13
6
12
3
6
1
16
17
16
16
1
16
3
12
15
7
16
14
3
12
19
3
2
14
7
10
2
8
16
18
FIT
1:1
100%

Артикул

Название

Примечание

Количество

PU64H00022F1

Valve Instal

1шт.

1

PX30V00043F1

VALVE

Pilot

2шт.

Refer To 01-026(02)

1шт.

2

HH25S04004G1

HYD CONNECTOR

2шт.

3

HH35S04004G1

90 ELBOW

5шт.

4

HH35S06004G1

90 ELBOW

1шт.

6

ZS28C06030

SCREW,Hex Socket Head, M6 x 30mm

6шт.

7

ZW16P06000

WASHER

6шт.

8

2444T2524

HYD CONNECTOR

1шт.

10

HH25S04004G3

HYD CONNECTOR

2шт.

12

2444Z2525

HYD CONNECTOR

3шт.

13

2444Z2894

90 ELBOW

Elbow

1шт.

14

2444T2524D2

HYD CONNECTOR

2шт.

15

YX42H01085P1

CONNECTION

1шт.

16

PM12H01001P1

ELBOW

6шт.

17

PU64H01036P1

WIRE CONNECTOR

1шт.

18

PU64H01041P1

WIRE CONNECTOR

1шт.

19

HH45S06004G1

45 ELBOW

1шт.

Выбрано товаров: 18