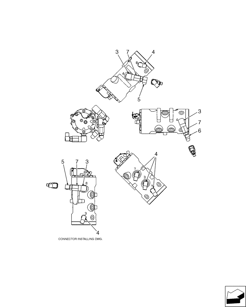
Запчасти Case CX17B (01-027[02]) - VALVE INSTAL - MULTI (35) - HYDRAULIC SYSTEMS

Схема запчастей Case CX17B - (01-027[02]) - VALVE INSTAL - MULTI (35) - HYDRAULIC SYSTEMS
4
7
3
4
7
3
3
4
7
5
5
6
FIT
1:1
100%

Артикул

Название

Примечание

Количество

PU64H00025F1

Valve Instal (Multi)

1шт.

3

PU64H01027P1

ELBOW

3шт.

4

HH35S04002G1

ELBOW

5шт.

5

HH35S04004G1

90 ELBOW

2шт.

6

HH45S04004G1

45 ELBOW

1шт.

7

2444Z2525

HYD CONNECTOR

, Serial Range: PU09-08001-PU09-08664

3шт.

7

2444Z2525

HYD CONNECTOR

, Start Serial: PU09-08665

2шт.

7

2444T2524

HYD CONNECTOR

, Start Serial: PU09-08665

1шт.

Выбрано товаров: 8