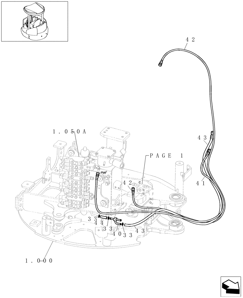
Запчасти Case CX20B (5.0088[02]) - CONTROL LINES VALVE (SAFETY VALVE) - 747940070, 747940080 (35) - HYDRAULIC SYSTEMS

Схема запчастей Case CX20B - (5.0088[02]) - CONTROL LINES VALVE (SAFETY VALVE) - 747940070, 747940080 (35) - HYDRAULIC SYSTEMS
page 1
42
42
33
43
33
33
44
1.000
43
1.050a
41
40
FIT
1:1
100%

Артикул

Название

Примечание

Количество

33

87526517

CLAMP

3шт.

40

72285217

TEE

1шт.

41

87489413

HYDRAULIC HOSE,6.30 mm ID x 2100.00 mm

1шт.

42

87489414

HYDRAULIC HOSE,6.30 mm ID x 2740.00 mm

1шт.

43

87489416

HOSE,9.50 mm ID x 244.00 mm

1шт.

44

72285220

HOSE

1шт.

Выбрано товаров: 6