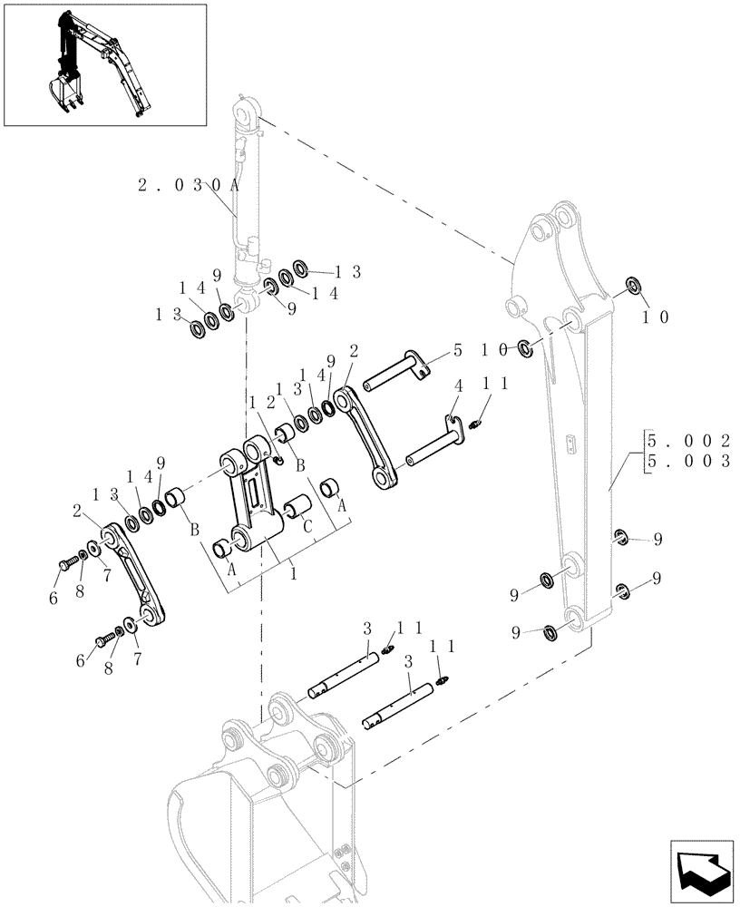
Запчасти Case CX20B (2.003[01]) - ARM ASSEMBLY (84) - BOOMS, DIPPERS & BUCKETS

Схема запчастей Case CX20B - (2.003[01]) - ARM ASSEMBLY (84) - BOOMS, DIPPERS & BUCKETS
a
2
11
2.030a
6
10
13
c
7
14
14
13
9
2
10
9
9
4
3
5.0022
9
a
1
8
9
b
14
12
9
13
11
5
5.0038
6
9
3
9
13
b
11
7
8
14
FIT
1:1
100%

Артикул

Название

Примечание

Количество

1

72282516

LINK

1шт.

1a

72952251

BUSHING

2шт.

1b

72282518

BUSHING

2шт.

1c

72952568

COLLAR

1шт.

2

72282519

LINK

2шт.

3

87661261

PIN

2шт.

4

72288042

PIN

1шт.

5

72283215

PIN

1шт.

6

11127434

SCREW

TE M16x30

2шт.

7

72952250

WASHER

2шт.

8

13580121

WASHER,16.4mm ID x 32mm OD x 4mm Thk

Ø16

2шт.

9

72952544

SEAL

10шт.

10

72950987

SEAL

2шт.

11

72283478

LUBE NIPPLE

3шт.

12

72283870

LUBE NIPPLE

2шт.

13

72952545

SHIM,37mm ID x 60mm OD x 0.5mm Thk

4шт.

14

72952546

SHIM,37mm ID x 60mm OD x 0.9mm Thk

4шт.

Выбрано товаров: 17