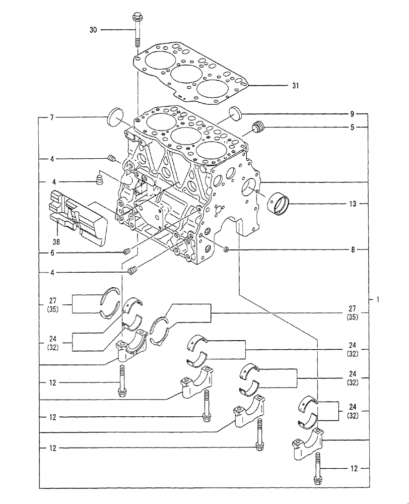
Запчасти Case CX20B (ENGINE-01[01]) - CYLINDER HEAD (10) - ENGINE

Схема запчастей Case CX20B - (ENGINE-01[01]) - CYLINDER HEAD (10) - ENGINE
6
27
24
7
9
4
38
12
4
12
32
35
24
32
32
30
31
1
8
24
5
12
35
32
4
13
24
12
27
FIT
1:1
100%

Артикул

Название

Примечание

Количество

-

72282792

SET OF PARTS

1шт.

1

72282793

VALVE BLOCK (USED)

1шт.

4

72958966

PLUG,1/4"

PT1/4

3шт.

5

72958967

PLUG

NPTF1

1шт.

6

72961876

PLUG,1/8"

1шт.

7

72958970

PLUG

50

1шт.

8

72958971

PLUG

12

2шт.

9

72958972

PLUG

30

6шт.

12

72282794

BOLT

8шт.

13

72958974

BUSHING

1шт.

14

NS

NOT SERVICED

12

1шт.

24

72282795

BEARING LINER

30

4шт.

27

72282796

BEARING

1шт.

30

72282797

BOLT

14шт.

31

72282798

GASKET

1шт.

32

72282799

BEARING LINER

U.S=0.25

4шт.

35

72282800

THRUST BEARING

O.S=0.25

2шт.

38

72282801

SPACER

1шт.

Выбрано товаров: 18