Запчасти Case CX20B (HC370-01[2]) - MOTOR ASSY, PROPELLING (35) - HYDRAULIC SYSTEMS

Схема запчастей Case CX20B - (HC370-01[2]) - MOTOR ASSY, PROPELLING (35) - HYDRAULIC SYSTEMS
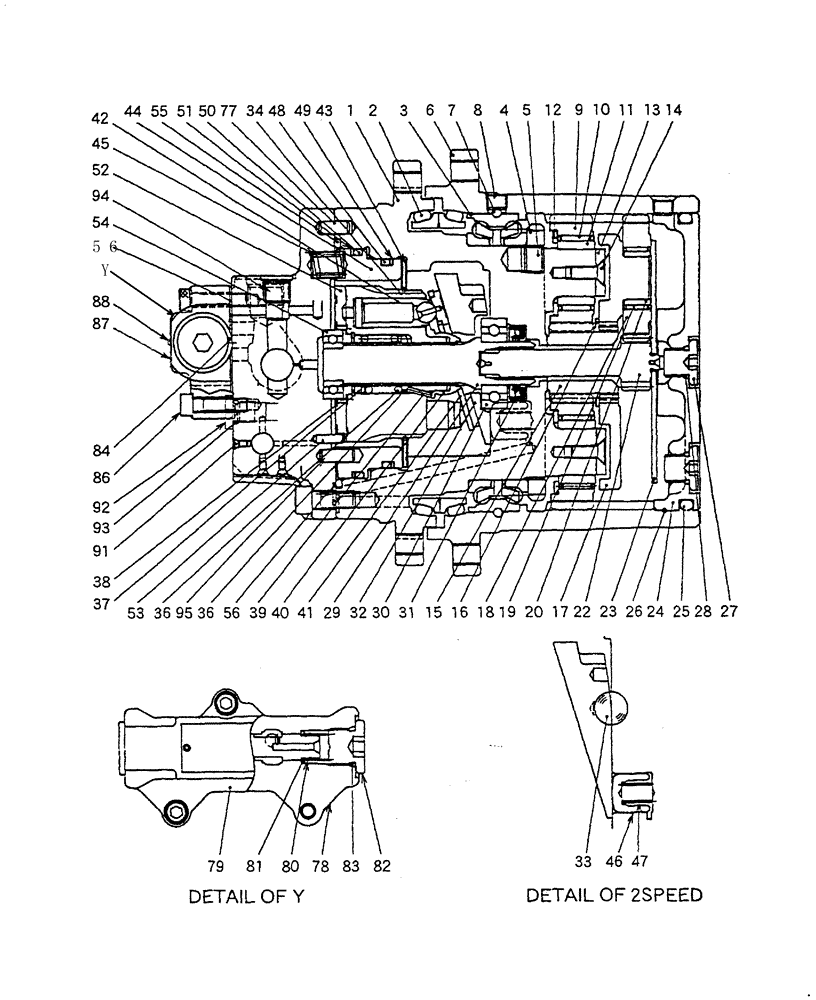
56
y
FIT
1:1
100%

Артикул

Название

Примечание

Количество

1

NS

NOT SERVICED

1шт.

2

72952322

SEAL

2шт.

3

72952323

BEARING

1шт.

4

72952306

NUT

1шт.

5

72952307

PLUG

2шт.

6

NS

NOT SERVICED

1шт.

7

72952036

BALL

109шт.

8

72210250

PLUG

2шт.

9

72952308

GEAR

4шт.

10

72952042

NEEDLE BEARING

4шт.

11

72952309

BUSHING

4шт.

12

72952289

THRUST WASHER

4шт.

13

72952290

PLATE

1шт.

14

72952041

SCREW

4шт.

15

72952310

GEAR

1шт.

16

72952311

RING

1шт.

17

72282610

HOLDER

1шт.

18

72282611

GEAR

3шт.

19

72952575

NEEDLE BEARING

3шт.

20

72952576

BUSHING

3шт.

22

72282612

GEAR

1шт.

23

72952315

PLATE

1шт.

24

72952316

COVER

1шт.

25

72952623

O-RING

1шт.

26

72282613

WIRE

1шт.

27

72952043

PLUG

2шт.

28

72283080

O-RING

6шт.

29

72952570

SHAFT

1шт.

30

72952571

BEARING

1шт.

31

72961409

OIL SEAL

1шт.

32

72282614

PLATE

1шт.

33

72952318

BALL

2шт.

34

NS

NOT SERVICED

1шт.

35

NS

NOT SERVICED

1шт.

36

NS

NOT SERVICED

1шт.

37

NS

NOT SERVICED

1шт.

38

NS

NOT SERVICED

1шт.

39

NS

NOT SERVICED

3шт.

40

NS

NOT SERVICED

1шт.

41

NS

NOT SERVICED

1шт.

42

NS

NOT SERVICED

9шт.

43

72282615

DISC

1шт.

44

72282616

PISTON

1шт.

45

72282617

SPRING

10шт.

46

72282618

PISTON

2шт.

47

72282619

SPRING

2шт.

48

72282620

O-RING

1шт.

49

72282621

RING

1шт.

50

72282622

O-RING

1шт.

51

72282623

RING

1шт.

52

72282624

VALVE

1шт.

53

72952039

PIN

1шт.

54

72961460

BALL BEARING

1шт.

55

72961387

O-RING

1шт.

56

72215596

GASKET,1.6mm Thk x 6.8mm ID, 90 Duro

5шт.

77

72952040

PIN

2шт.

78

NS

NOT SERVICED

1шт.

79

NS

NOT SERVICED

1шт.

80

NS

NOT SERVICED

2шт.

81

NS

NOT SERVICED

2шт.

82

NS

NOT SERVICED

2шт.

83

72283052

O-RING

2шт.

84

72957116

O-RING

3шт.

86

72282625

SCREW

3шт.

87

NS

NOT SERVICED

1шт.

88

NS

NOT SERVICED

2шт.

91

72952297

PLUG

2шт.

92

72952073

PLUG

2шт.

93

72209818

O-RING,1.9mm Thk x 7.8mm ID, 90 Duro

2шт.

94

72214631

PLUG

1шт.

95

72282626

PIN

2шт.

900

72282627

REPAIR KIT

- ASSY SEE 2, 25, 28, 31, 48-51, 55, 56, 62, 66, 72, 83, 84, 85, 93

1шт.

901

72282628

REPAIR KIT

- ASSY SEE 34-38, 39, 40, 41, 42

1шт.

902

72282629

REPAIR KIT

- ASSY SEE 57-62, 68

1шт.

903

72282630

REPAIR KIT

- ASSY SEE 78, 79, 80-83, 84, 85

1шт.

Выбрано товаров: 75