Запчасти Case CX22B (HC005-01[1]) - HYDRAULIC CONTROL VALVE - COMPONENTS (ARM) (35) - HYDRAULIC SYSTEMS

Схема запчастей Case CX22B - (HC005-01[1]) - HYDRAULIC CONTROL VALVE - COMPONENTS (ARM) (35) - HYDRAULIC SYSTEMS
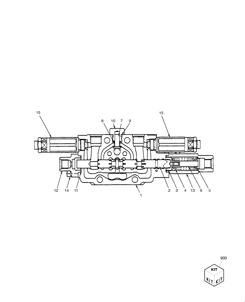
15
15
8
4
9
2
13
3
6
1
12
7
11
5
14
10
FIT
1:1
100%

Артикул

Название

Примечание

Количество

1/900

72282574

VALVE

1шт.

1

NS

NOT SERVICED

1шт.

2

NS

NOT SERVICED

1шт.

3

NS

NOT SERVICED

1шт.

4

NS

NOT SERVICED

1шт.

5

NS

NOT SERVICED

1шт.

6

NS

NOT SERVICED

1шт.

7

72957857

POPPET

1шт.

8

72957858

SPRING

1шт.

9

72203080

HYD CONNECTOR

1шт.

10

72957859

PLUG

1шт.

11

72957886

O-RING

2шт.

12

72957873

COVER

1шт.

13

72957874

COVER

1шт.

14

72957875

SCREW

4шт.

15

72950897

VALVE

- ASSY SEE HC19

1шт.

900

72282585

REPAIR KIT

- ASSY SEE 2, 3, 4, 5, 6

1шт.

Выбрано товаров: 17