Запчасти Case CX22B (HC011-01[1]) - HYDRAULIC CONTROL VALVE - COMPONENTS (BOOM) (35) - HYDRAULIC SYSTEMS

Схема запчастей Case CX22B - (HC011-01[1]) - HYDRAULIC CONTROL VALVE - COMPONENTS (BOOM) (35) - HYDRAULIC SYSTEMS
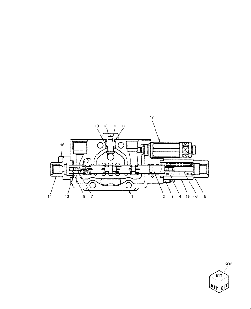
8
14
9
10
12
1
5
4
17
13
7
15
16
6
11
2
3
FIT
1:1
100%

Артикул

Название

Примечание

Количество

1-900

72282579

VALVE

1шт.

1

NS

NOT SERVICED

1шт.

2

NS

NOT SERVICED

1шт.

3

NS

NOT SERVICED

1шт.

4

NS

NOT SERVICED

1шт.

5

NS

NOT SERVICED

1шт.

6

NS

NOT SERVICED

1шт.

7

NS

NOT SERVICED

1шт.

8

NS

NOT SERVICED

1шт.

9

72957857

POPPET

1шт.

10

72957858

SPRING

1шт.

11

72283080

O-RING

1шт.

12

72957859

PLUG

1шт.

13

72957886

O-RING

2шт.

14

72957873

COVER

1шт.

15

72957874

COVER

1шт.

16

72957875

SCREW

4шт.

17

72275229

HYDRAULIC VALVE

- ASSY SEE HC19

1шт.

900

72282592

REPAIR KIT

- ASSY SEE 2-8

1шт.

Выбрано товаров: 19