Запчасти Case CX22B (HC750-01[1]) - DOZER CILINDER (35) - HYDRAULIC SYSTEMS

Схема запчастей Case CX22B - (HC750-01[1]) - DOZER CILINDER (35) - HYDRAULIC SYSTEMS
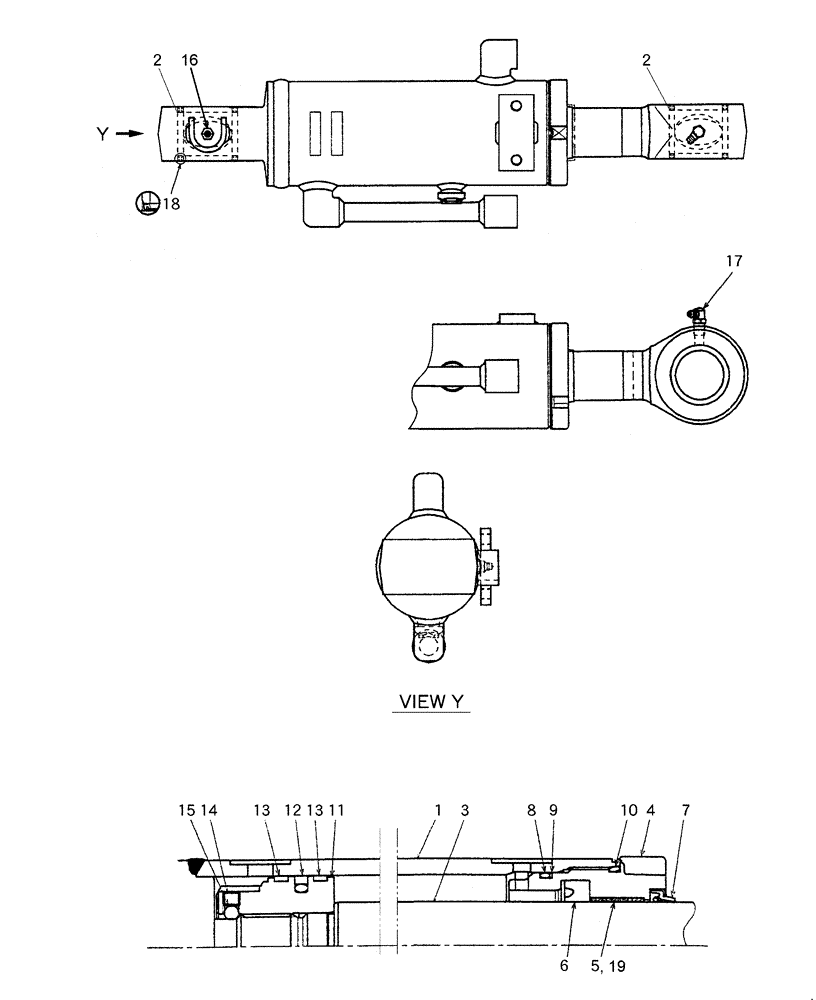
10
7
4
16
17
18
2
15
6
5
5
12
13
9
14
11
19
13
3
2
1
FIT
1:1
100%

Артикул

Название

Примечание

Количество

1/902

72282460

HYDRAULIC CYLINDER

1шт.

1/902

72285829

HYDRAULIC CYLINDER

1шт.

1

NS

NOT SERVICED

1шт.

2

72961341

BUSHING

2шт.

3

NS

NOT SERVICED

1шт.

4

72280223

CYLINDER HEAD

1шт.

5

72280224

BUSHING

1шт.

Only for P/N 72282460

1шт.

6

72950403

RING

1шт.

7

72950584

RING

1шт.

8

72209816

O-RING

1шт.

9

72950585

RING

1шт.

10

72209836

O-RING

1шт.

11

72280265

PISTON

1шт.

12

72950404

RING

1шт.

13

72950586

RING

3шт.

14

72950401

SET SCREW

1шт.

15

72950400

BALL

1шт.

16

72283478

LUBE NIPPLE

1шт.

17

72283870

LUBE NIPPLE

1шт.

18

72961203

SEAL

4шт.

19

72285818

BUSHING

1шт.

Only for P/N 72285829

1шт.

900

72282783

REPAIR KIT

- ASSY SEE 1, 2, 18

1шт.

901

72282784

REPAIR KIT

- ASSY SEE 2, 3, 18

1шт.

902

72953540

REPAIR KIT

- ASSY SEE 6-10, 12, 13

1шт.

Выбрано товаров: 26