Запчасти Case CX27B (08-014) - STARTING MOTOR (55) - ELECTRICAL SYSTEMS

Схема запчастей Case CX27B - (08-014) - STARTING MOTOR (55) - ELECTRICAL SYSTEMS
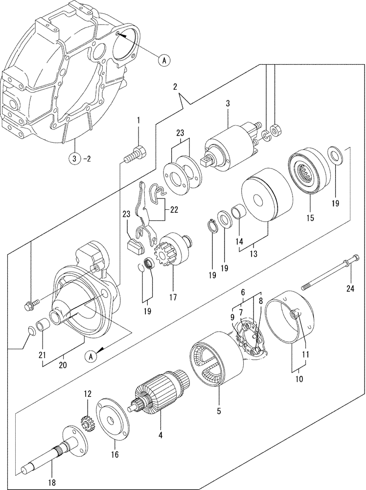
4
3
11
6
7
19
12
1
19
14
23
2
23
8
9
18
20
10
16
17
13
5
22
19
19
15
24
2
21
FIT
1:1
100%

Артикул

Название

Примечание

Количество

NSS

NOT SOLD SEPARAT

STARTING MOTOR

1шт.

1

VV26116120252

BOLT

BOLT, M12 X 25 PLATED

2шт.

2

VV12924277010

STARTER MOTOR

STARTER

1шт.

3

VV12969877020

SWITCH

MAGNETIC SWITCH ASSY

1шт.

4

VV12924277100

ARMATURE

ARMATURE ASSY

1шт.

5

VV12924277110

HOUSING

YOKE ASSY

1шт.

6

VV12924277120

BRUSH HOLDER

BRUSH HOLDER ASSY

1шт.

7

VV12924277130

COMMUTATOR BRUSH

BRUSH (-)

2шт.

8

VV12924277140

BRUSH SET

BRUSH (+) SET

1шт.

9

VV12924277150

SPRING

BRUSH SPRING

4шт.

10

VV12924277160

COVER

REAR COVER ASSY

1шт.

11

VV12924277170

COVER

REAR COVER METAL

1шт.

12

VV11840077170

GEAR

PLANET GEAR

3шт.

13

VV12924277180

BRACKET

CENTER BRACKET (P)

1шт.

14

VV12969877190

BRACKET

BRACKET

1шт.

15

VV12969877200

GEAR

INTERNAL GEAR

1шт.

16

VV12924277210

BRACKET

CENTER BRACKET (A)

1шт.

17

VV12969877220

PINION

PINION ASSY

1шт.

18

VV12969877230

SHAFT

SHAFT (PINION)

1шт.

19

VV12969877250

WASHER

WASHER SET

1шт.

20

VV12924277260

HOUSING

GEAR CASE ASSY

1шт.

21

VVX2114535200

SLEEVE

METAL, STARTER

1шт.

22

VV12924277270

LEVER

SHIFT LEVER SET

1шт.

23

VV12924277280

COVER

DUST COVER KIT

1шт.

24

VV12419577770

BOLT

BOLT, THROUGH

2шт.

Выбрано товаров: 25