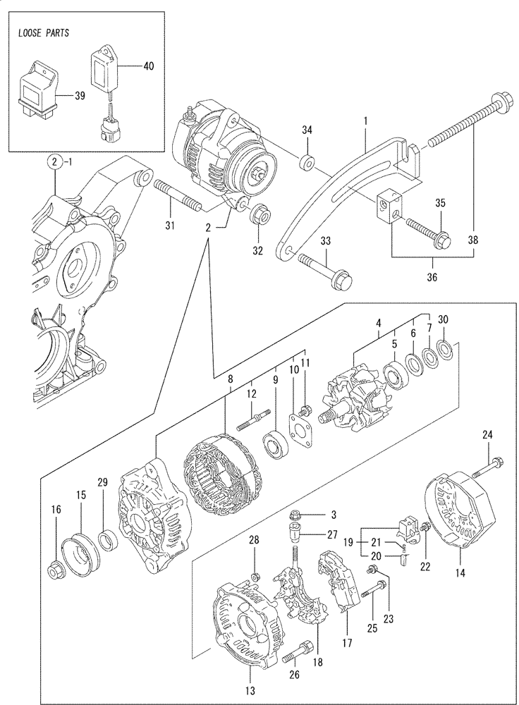
Запчасти Case CX27B (08-015) - GENERATOR (55) - ELECTRICAL SYSTEMS

Схема запчастей Case CX27B - (08-015) - GENERATOR (55) - ELECTRICAL SYSTEMS
5
33
31
2
38
8
11
18
18
19
39
10
24
3
25
12
22
7
29
35
6
27
14
34
23
16
1
32
9
28
15
21
4
17
13
20
24
26
26
40
13
30
36
FIT
1:1
100%

Артикул

Название

Примечание

Количество

NSS

NOT SOLD SEPARAT

GENERATOR

1шт.

1

VV11994077310

ADJUSTER

ADJUSTER, BELT

1шт.

2

VV12942377200

ALTERNATOR

GENERATOR

1шт.

3

VVX9490561001

NUT

NUT

1шт.

4

VV11962077380

ROTOR ASSY.

ROTOR ASSY

1шт.

5

VV11962079240

BALL BEARING

BALL BEARING

1шт.

6

VV11962079250

COVER ASSY

COVER, BEARING

1шт.

7

VV11962079360

WASHER, THRUST

THRUST WASHER

1шт.

8

VV11962077421

FRAME

FLAME ASSY, DRIVE

1шт.

9

VV11962079200

BALL BEARING

BALL BEARING

1шт.

10

VV11962079210

PLATE

PLATE

1шт.

11

VV11962079220

SCREW

SCREW

4шт.

12

VV11962079230

BOLT

BOLT, STUD

2шт.

13

VV11962077440

FRAME

FLAME ASSY, REAR

1шт.

14

VV12942377450

COVER

COVER

1шт.

15

VV11962077461

PULLEY

PULLEY

1шт.

16

VV11962077471

NUT

NUT

1шт.

17

VV12942377710

REGULATOR

REGULATOR ASSY

1шт.

18

VV11962079260

HOLDER

HOLDER

1шт.

19

VV11962079270

BRUSH HOLDER

HOLDER, BRUSH

1шт.

20

VV11962077480

COMMUTATOR BRUSH

BRUSH ASSY

2шт.

21

VV11962079280

SPRING

SPRING

2шт.

22

VV11962079290

SCREW

SCREW

1шт.

23

VV11962079300

SCREW

SCREW

1шт.

24

VV11962079310

BOLT

BOLT

3шт.

25

VV11962079320

SCREW

SCREW W/WASHER

2шт.

26

VV11962079330

BOLT

BOLT

2шт.

27

VV11962079340

FOAM INSULATION

INSULATION BUSH

1шт.

28

VV11962079350

NUT

NUT

2шт.

29

VV11962077490

COLLAR

COLLAR

1шт.

30

VV11962079360

WASHER, THRUST

THRUST WASHER

1шт.

31

VV12979501900

STUD

STUD

1шт.

32

VV26306100002

NUT,M10

NUT

1шт.

33

VV26106080452

BOLT,M8 x 45mm

BOLT, M8 X 45 PLATED

1шт.

34

VV11994077270

SPACER

ADJUSTER, BELT

1шт.

35

VV26106080502

BOLT,M8 x 50mm

BOLT, M8 X 50 PLATED

1шт.

36

VV11962477350

BLOCK

BROCK, GENERATOR CMP

1шт.

38

VV26106081004

BOLT

BOLT, 8 X 100

1шт.

39

VV11980277200

RELAY

RELAY, SAFETY

1шт.

40

VV12921177920

TIMER

TIMER

1шт.

Выбрано товаров: 40