Запчасти Case CX27B (01-015) - CONTROL ASSY, ENGINE (WITH DECEL) (10) - ENGINE

Схема запчастей Case CX27B - (01-015) - CONTROL ASSY, ENGINE (WITH DECEL) (10) - ENGINE
FIT
1:1
100%

Артикул

Название

Примечание

Количество

.

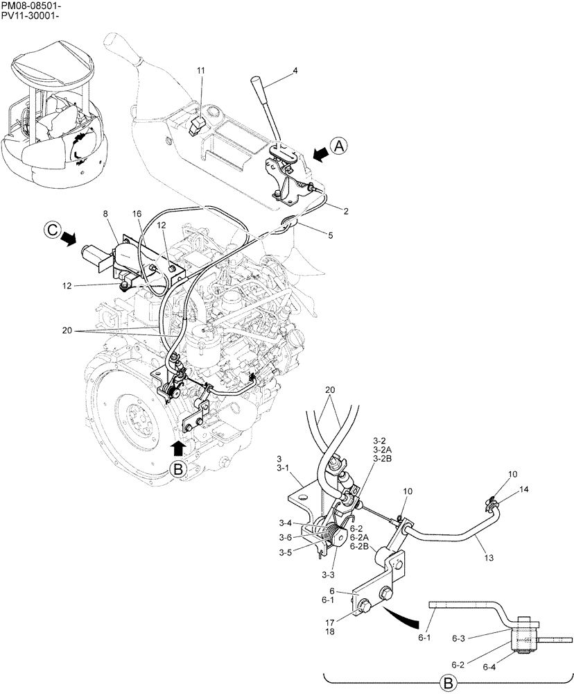
CONTROL ASSY, ENGINE (PM33H00026F1)

1шт.

2

PW11M01080P1

CABLE,1268mm L

1шт.

3

PM11M01122F1

LINK

LINK ASSY

1шт.

3-1

PM11M01118P1

BRACKET

BRACKET

1шт.

3-2

PM11M01123F1

LINK

LINK ASSY

1шт.

3-2a

PM11M01124P1

LINK

LINK

1шт.

3-2b

2405R312D1512

BUSHING,15mm ID x 17mm OD x 12mm L

1шт.

3-3

PW11M01112P2

NUT

1шт.

3-4

PW11M01143P1

WASHER

1шт.

3-5

PW11M01144P1

WASHER

1шт.

3-6

PW11M01114P1

SPRING

1шт.

4

2406Z321

HANDLE

1шт.

5

PM11M01049P1

GROMMET

1шт.

6

PM11M01073F1

BRACKET

1шт.

6-1

PM11M01070P1

BRACKET

1шт.

6-2

PM11M01072F1

LINK ASSY.

1шт.

6-2a

PM11M01071P1

LINK

1шт.

6-2b

2405R312D1210

BUSHING

2шт.

6-3

ZW16X12000

WASHER

1шт.

6-4

ZR36X01000

RING

1шт.

8

PM20S00010F1

GOVERNOR

1шт.

10

2419R9D2

COTTER PIN

OD 08mm x 27.7mm Long

2шт.

11

PM50S00005P1

SWITCH

Decel

1шт.

12

ZM22C08020

BOLT

6шт.

13

PM11M01125P1

LEVER

LEVER

1шт.

14

ZW16X08000

WASHER,8mm ID x 17mm OD x 1.6mm Thk

1шт.

16

PM11M01047P1

BRACKET

1шт.

17

ZS18C08020

SCREW,Hex, M8 x 20mm

2шт.

18

ZW16H08000

WASHER

2шт.

20

PE13E01034D4

TUBE

2шт.

Выбрано товаров: 30