Запчасти Case CX27B (07-001[01]) - VALVE ASSY, CONTROL (35) - HYDRAULIC SYSTEMS

Схема запчастей Case CX27B - (07-001[01]) - VALVE ASSY, CONTROL (35) - HYDRAULIC SYSTEMS
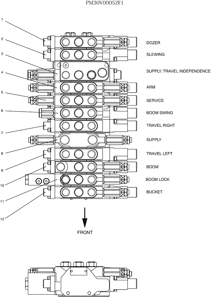
2
3
10
11
5
1
4
12
8
7
6
FIT
1:1
100%

Артикул

Название

Примечание

Количество

VALVE ASSY, CONTROL (PM30V00052F1)

1шт.

1

PM30V00039F1

VALVE

ASSY, CONTROL (DOZER) (SEE FIG. 07-002)

1шт.

2

PM30V00040F1

CONTROL VALVE

ASSY (SLEWING) (SEE FIG. 07-003)

1шт.

3

PM30V00053F1

VALVE

VALVE ASSY, CONTROL (SUPPLY,TRAVEL INDEPENDENCE) (SEE FIG. 07-012)

1шт.

4

PM30V00054F1

VALVE

VALVE ASSY, CONTROL (ARM) (SEE FIG. 07-013)

1шт.

5

PX30V00064F1

VALVE SECTION

ASSY, CONTROL (SERVICE) (SEE FIG. 07-004)

1шт.

6

PX30V00065F2

CONTROL VALVE

ASSY (BOOM SWING) (SEE FIG. 07-005)

1шт.

7

PM30V00044F1

VALVE

ASSY, CONTROL (TRAVEL RIGHT) (SEE FIG. 07-006)

1шт.

8

PM30V00045F1

VALVE

ASSY, CONTROL (SUPPLY) (SEE FIG. 07-007)

1шт.

9

PM30V00046F1

VALVE

ASSY, CONTROL (TRAVEL LEFT) (SEE FIG. 07-008)

1шт.

10

PM30V00047F1

VALVE

ASSY, CONTROL (BOOM) (SEE FIG 07-009)

1шт.

11

PM30V00048F1

VALVE SECTION

ASSY, CONTROL (BOOM LOCK) (SEE FIG. 07-010)

1шт.

12

PM30V00049F1

VALVE

ASSY, CONTROL (BUCKET) (SEE FIG. 07-011)

1шт.

13

PH30V00003S015

O-RING

11шт.

14

ZD11P01800

O-RING

10шт.

15

ZD12P01000

O-RING

1шт.

16

ZD12P00900

O-RING

1шт.

17

PW30V00017S022

BOLT

4шт.

18

ZN18C08007

NUT

4шт.

Выбрано товаров: 19