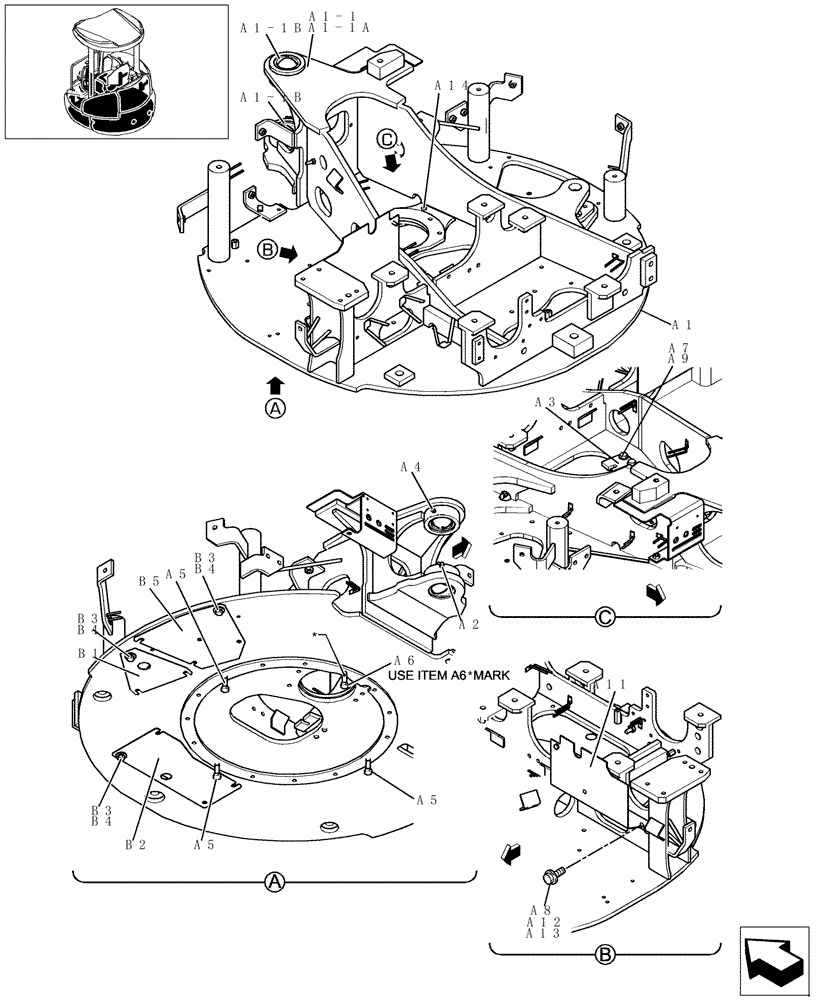
Запчасти Case CX27B (010-18[1]) - UPPER FRAME (39) - FRAMES AND BALLASTING

Схема запчастей Case CX27B - (010-18[1]) - UPPER FRAME (39) - FRAMES AND BALLASTING
a14
a5
b1
a5
b4
b3
a3
b3
a7
a13
a2
a1-1
b4
b3
a8
a1
b5
a6
a1-1b
b4
a4
a9
a11
b2
a5
a1-1b
a12
a1-1a
FIT
1:1
100%

Артикул

Название

Примечание

Количество

-

72281407

SET OF PARTS

- ASSY

1шт.

a1/a14

72281416

SET OF PARTS

1шт.

a1

72281408

FRAME

1шт.

a1-1

72281409

BRACKET

1шт.

a1-1a

72281410

BRACKET

1шт.

a1-1b

72281411

BUSHING

2шт.

a2

72283072

LUBE NIPPLE,67 Degree x 1/8" PT

1шт.

a3

72285438

PLATE

1шт.

a4

72283478

LUBE NIPPLE

1шт.

a5

72951707

SCREW

14шт.

a6

72280483

SCREW

1шт.

a7

72951702

SCREW

2шт.

a8

47045383

SCREW

2шт.

a9

72951754

WASHER

2шт.

a11

72281412

PLATE

1шт.

a12

72951762

LOCK WASHER

2шт.

a13

72951753

WASHER

2шт.

a14

72211268

CAP

2шт.

b1/b5

72281413

COVER ASSY

1шт.

b1

72280490

COVER

1шт.

b2

72281414

COVER

1шт.

b3

72280489

BOLT

11шт.

b4

72201224

WASHER

11шт.

b5

72281415

COVER

1шт.

Выбрано товаров: 24