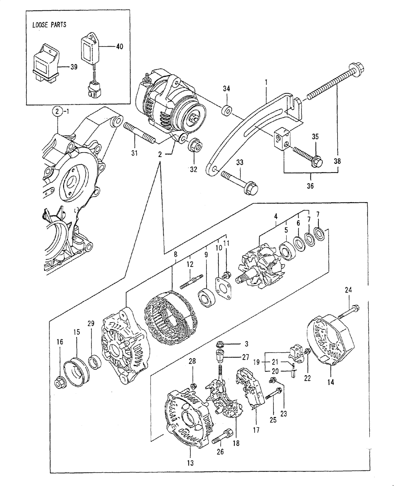
Запчасти Case CX27B (ENGINE-15[1]) - CURRENT GENERATOR (55) - ELECTRICAL SYSTEMS

Схема запчастей Case CX27B - (ENGINE-15[1]) - CURRENT GENERATOR (55) - ELECTRICAL SYSTEMS
20
38
25
28
17
12
7
15
9
33
19
3
18
35
13
40
4
21
31
36
1
32
8
14
26
22
6
29
2
23
27
5
16
7
24
10
39
34
11
FIT
1:1
100%

Артикул

Название

Примечание

Количество

-

72282921

SET OF PARTS

1шт.

1

72282922

ADJUSTER

1шт.

2

72281434

ALTERNATOR

1шт.

3

72280447

NUT

1шт.

4

72282924

ROTOR

1шт.

5

72282925

BALL

1шт.

6

72280550

COVER

1шт.

7

72282926

WASHER

2шт.

8

72282927

FLANGE

1шт.

9

72280552

BALL

1шт.

10

72280553

PLATE

1шт.

11

72280554

SCREW

4шт.

12

72280555

BOLT

2шт.

13

72282928

FLANGE

1шт.

14

72282929

COVER

1шт.

15

72280557

PULLEY

1шт.

16

72280558

NUT

1шт.

17

72282930

VOLTAGE REGULATOR

1шт.

18

72282931

HOLDER

1шт.

19

72282932

HOLDER

1шт.

20

72282933

COMMUTATOR BRUSH

2шт.

21

72282934

SPRING

2шт.

22

72280561

SCREW

1шт.

23

72280562

SCREW

1шт.

24

72280563

BOLT

3шт.

25

72280564

SCREW

2шт.

26

72280565

BOLT

2шт.

27

72280566

ELECTRIC INSULATION

1шт.

28

72280567

NUT

2шт.

29

72280570

COLLAR

1шт.

30

NS

NOT SERVICED

1шт.

31

72282936

STUD

1шт.

32

72280572

NUT,M10

1шт.

33

72282809

BOLT,M8 x 45mm

M8x45

1шт.

34

72282938

ADJUSTER

1шт.

35

72959225

SCREW,M8 x 50mm

M8x50

1шт.

36

72282939

LATCH

1шт.

38

72282940

BOLT

8*100

1шт.

39

72281260

RELAY

1шт.

40

72273635

SWITCH

1шт.

Выбрано товаров: 40