Запчасти Case CX27B (140-60[2]) - CONTROL LINES (NIBBLER & BREAKER) (35) - HYDRAULIC SYSTEMS

Схема запчастей Case CX27B - (140-60[2]) - CONTROL LINES (NIBBLER & BREAKER) (35) - HYDRAULIC SYSTEMS
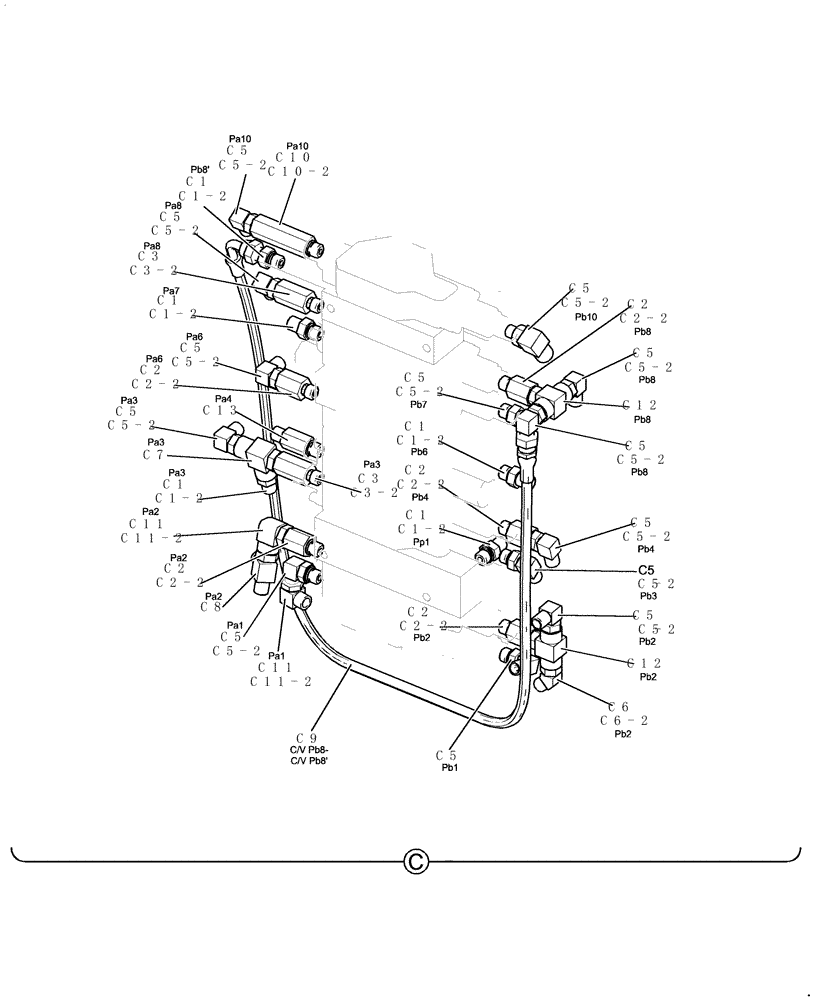
c1
c6
c2
c5-2
c5-2
c1-2
c2-2
c5-2
c10
c5
c2-2
c3
c2
c5-2
c13
c1-2
c6-2
c1
c5
c2
c5
c2
c5
-2
c5
c5
c7
c3-2
c2-2
c11
c1-2
c12
c5-2
c2-2
c9
-2
c5
c8
c1-2
c11-2
c5
c5
c1
c11-2
c5
c3
c2
c1-2
c5
c1
c5-2
c5-2
c5-2
c2-2
c5
c5
c12
c11
c5
c1
c3-2
c5-2
c10-2
c5-2
FIT
1:1
100%

Артикул

Название

Примечание

Количество

-

72281966

SET OF PARTS

- ASSY

1шт.

c1

72283606

HYD CONNECTOR

5шт.

c1-2

72283080

O-RING

5шт.

c2

72217408

HYD CONNECTOR

5шт.

c2-2

72283080

O-RING

5шт.

c3

72961286

HYD CONNECTOR

2шт.

c3-2

72283080

O-RING

2шт.

c5

72283603

ELBOW

13шт.

c5-2

72283080

O-RING

13шт.

c6

72950466

ELBOW

1шт.

c6-2

72283080

O-RING

1шт.

c7

72283608

TEE,1/4" ORB x 1/4" x 1/4"

1шт.

c8

72283609

HYD CONNECTOR

1шт.

c9

72281967

HOSE

1шт.

c10

72283610

HYD CONNECTOR

1шт.

c10-2

72283080

O-RING

1шт.

c11

72283551

ELBOW

2шт.

c11-2

72283080

O-RING

2шт.

c12

72214530

TEE

2шт.

c13

72283607

HYD CONNECTOR

1шт.

Выбрано товаров: 20