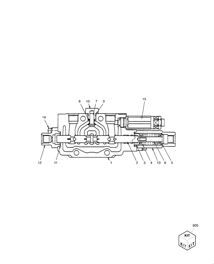
Запчасти Case CX27B (HC002-01[1]) - HYDRAULIC CONTROL VALVE - COMPONENTS (DOZER) (35) - HYDRAULIC SYSTEMS

Схема запчастей Case CX27B - (HC002-01[1]) - HYDRAULIC CONTROL VALVE - COMPONENTS (DOZER) (35) - HYDRAULIC SYSTEMS
5
12
10
9
13
6
1
3
11
14
7
8
4
2
15
FIT
1:1
100%

Артикул

Название

Примечание

Количество

1/900

72282571

VALVE

1шт.

1

NS

NOT SERVICED

1шт.

2

NS

NOT SERVICED

1шт.

3

NS

NOT SERVICED

1шт.

4

NS

NOT SERVICED

1шт.

5

NS

NOT SERVICED

1шт.

6

NS

NOT SERVICED

1шт.

7

72957857

POPPET

1шт.

8

72957858

SPRING

1шт.

9

72283080

O-RING

1шт.

10

72957859

PLUG

1шт.

11

72957886

O-RING

2шт.

12

72957873

COVER

1шт.

13

72957874

COVER

1шт.

14

72957875

SCREW

4шт.

15

72950897

VALVE

- ASSY SEE HC19

1шт.

900

72282582

REPAIR KIT

- ASSY SEE 2, 3, 4, 5, 6

1шт.

Выбрано товаров: 17