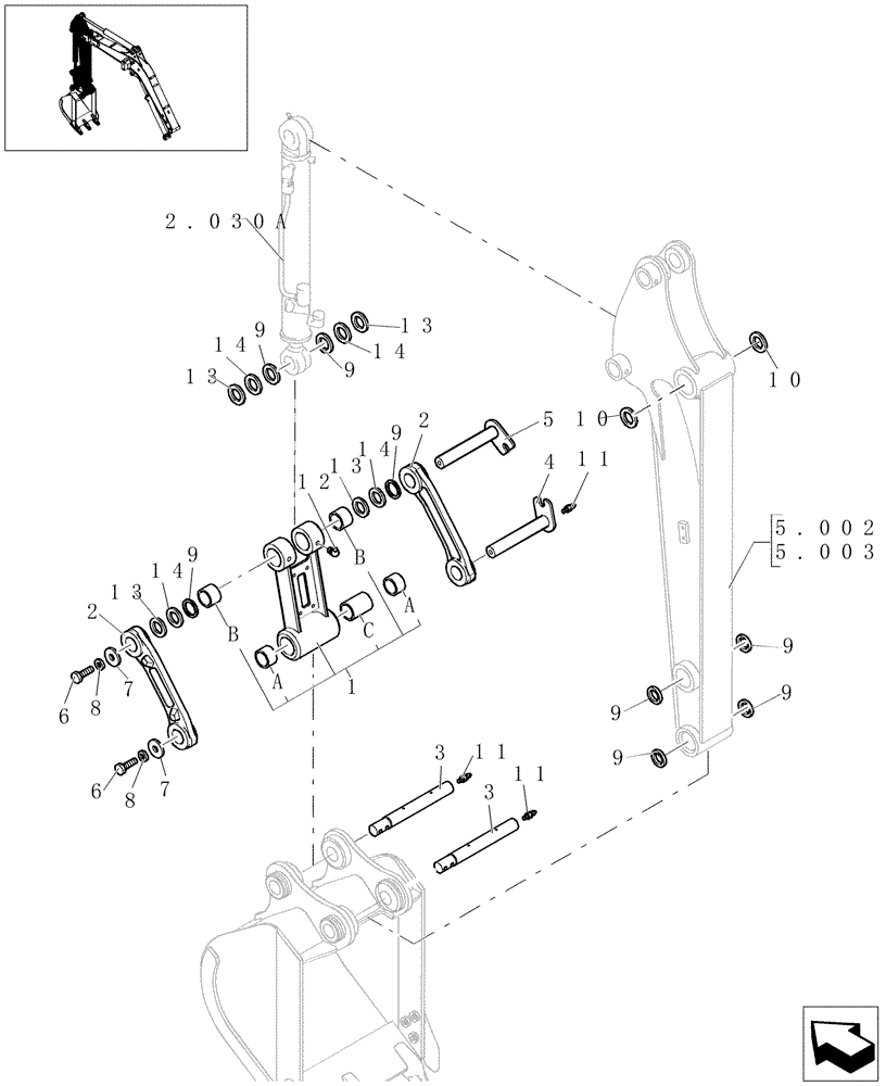
Запчасти Case CX27B (2.003[01]) - ARM ASSEMBLY (02) - Section 2

Схема запчастей Case CX27B - (2.003[01]) - ARM ASSEMBLY (02) - Section 2
14
13
2
9
b
11
10
13
1
9
8
7
6
11
a
9
14
5
11
b
4
9
14
a
2
3
9
c
14
12
7
5.0038
9
13
2.030a
13
3
10
9
5.0022
9
8
6
FIT
1:1
100%

Артикул

Название

Примечание

Количество

1

72282516

LINK

1шт.

1a

72952251

BUSHING

2шт.

1b

72282518

BUSHING

2шт.

1c

72952568

COLLAR

1шт.

2

72282519

LINK

2шт.

3

87661261

PIN

2шт.

4

72288042

PIN

1шт.

5

72283215

PIN

1шт.

6

11127434

SCREW

TE M16x30

2шт.

7

72952250

WASHER

2шт.

8

13580121

WASHER,16.4mm ID x 32mm OD x 4mm Thk

Ø16

2шт.

9

72952544

SEAL

10шт.

10

72950987

SEAL

2шт.

11

72283478

LUBE NIPPLE

3шт.

12

72283870

LUBE NIPPLE

2шт.

13

72952545

SHIM,37mm ID x 60mm OD x 0.5mm Thk

4шт.

14

72952546

SHIM,37mm ID x 60mm OD x 0.9mm Thk

4шт.

Выбрано товаров: 17