Запчасти Case CX27B (1.050[04]) - HYD LINES CONTROL VALVE (01) - Section 1

Схема запчастей Case CX27B - (1.050[04]) - HYD LINES CONTROL VALVE (01) - Section 1
13
a
6
7
3
a
a
1
a
1.050a
9
12
5
14
8
a
3
2
14
11
4
a
10
FIT
1:1
100%

Артикул

Название

Примечание

Количество

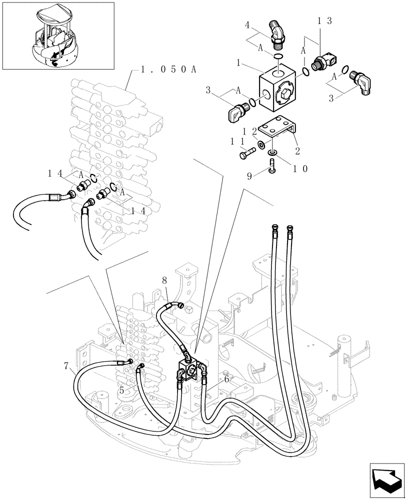
1

72950552

VALVE

1шт.

Assy See Page 1.050D

1шт.

2

72281598

BRACKET

1шт.

3

72283552

HYD CONNECTOR

2шт.

3a

72283052

O-RING

2шт.

4

72283553

ELBOW

1шт.

4a

72283052

O-RING

1шт.

5

87605015

HOSE

1шт.

6

87605016

HYDRAULIC HOSE,12.70 mm ID x 2630.00 mm

1шт.

7

72285650

FLEXIBLE HOSE

1шт.

8

72281602

HOSE

1шт.

9

16043434

BOLT,Hex, M8 x 1.25 x 20mm, Cl 10.9, Full Thd

4шт.

10

12654421

WASHER,8.15mm ID x 17mm OD x 3mm Thk

Ø8

4шт.

11

11106234

BOLT,Hex, M10 x 1.5 x 25 mm, Cl 10.9, Full Thd

2шт.

12

12626221

WASHER,10mm ID x 25mm OD x 3mm Thk

Ø10

2шт.

13

72214540

ELBOW

1шт.

13a

72283052

O-RING

1шт.

14

72284893

HYD CONNECTOR

2шт.

14a

72283052

O-RING

2шт.

Выбрано товаров: 19