Запчасти Case CX27B ASN (35.359.11) - VALVE INSTALL (J/D MULTI) BTW PV13-33453 - PV13-33807 (35) - HYDRAULIC SYSTEMS

Схема запчастей Case CX27B ASN - (35.359.11) - VALVE INSTALL (J/D MULTI) BTW PV13-33453 - PV13-33807 (35) - HYDRAULIC SYSTEMS
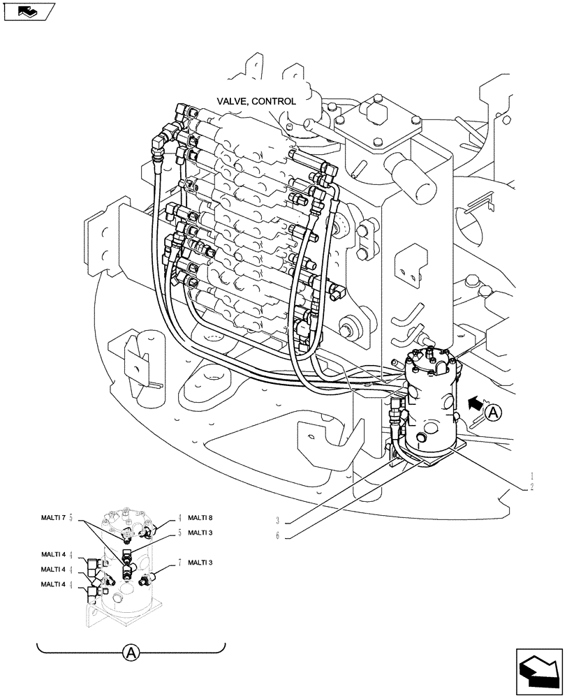
5
4
4
6
1
2
4
3
7
5
home
4
FIT
1:1
100%

Артикул

Название

Примечание

Количество

.

Control Install (J/D Multi) PV64H00019F1

1шт.

1

PX30V00060F1

CONTROL VALVE

, Serial Range: PV13-33453-PV13-33807

1шт.

2

ZM73C08016

BOLT,M8x16mm - Course Thread

Sems

4шт.

3

ZM73C10030

BOLT,M10x30mm - Course Thread

Sems

2шт.

4

HH35S04002G1

ELBOW

4шт.

5

HH45S04002G1

45 ELBOW

3шт.

6

PM64H01054P1

BRACKET

1шт.

7

HH25S04002G2

HYD CONNECTOR

1шт.

Выбрано товаров: 8