Качественные детали и логистика
Оригинальные и аналоговые запчасти с доставкой по России, Казахстану и Беларуси
©2022 PartSell ООО "Система" ИНН 2463123282 ОГРН 1212400004838
Центральный офис: г. Красноярск, Академика Киренского, д.87, пом.4
Телефон: 8 (800) 777-65-74 Email: zakaz@partsell.ru
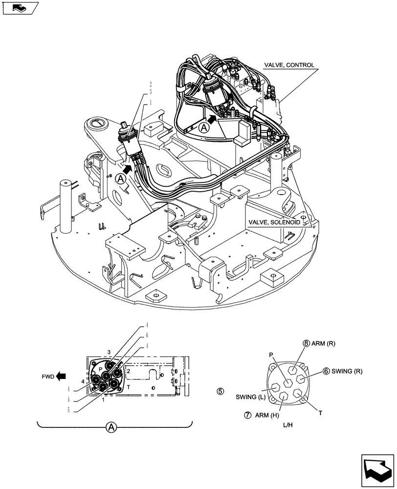
(35.359.13) - VALVE INSTALL (LEFT HAND)
№
Артикул
Название
Примечание
Количество
Valve Install (Left Hand) PW64H00038F1
1шт.
1
PX30V00043F1
VALVE
Pilot
2
ZS28C06030
SCREW,Hex Socket Head, M6 x 30mm
4шт.
3
ZW16X06000
WASHER
4
HH25S04004G1
HYD CONNECTOR
5
HH25S06004G3
6
HH25S04004G3
Выбрано товаров: 0