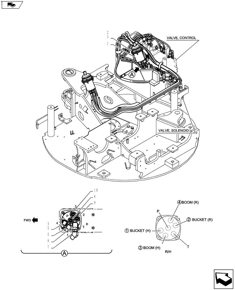
Запчасти Case CX27B ASN (35.359.14) - VALVE INSTALL (RIGHT HAND) (35) - HYDRAULIC SYSTEMS

Схема запчастей Case CX27B ASN - (35.359.14) - VALVE INSTALL (RIGHT HAND) (35) - HYDRAULIC SYSTEMS
6
5
10
9
8
4
1
3
5
7
2
home
FIT
1:1
100%

Артикул

Название

Примечание

Количество

Valve Install (Right Hand) PW64H00037F1

1шт.

1

PX30V00043F1

VALVE

Pilot

1шт.

2

ZS28C06030

SCREW,Hex Socket Head, M6 x 30mm

4шт.

3

ZW16X06000

WASHER

4шт.

4

2444Z2525

HYD CONNECTOR

1шт.

5

HH35S04004G1

90 ELBOW

2шт.

6

HH25S04004G3

HYD CONNECTOR

1шт.

7

HH45S06004G1

45 ELBOW

1шт.

8

2444Z2894

90 ELBOW

1шт.

9

HH25S04004G1

HYD CONNECTOR

1шт.

10

PU64H01002P1

HYD CONNECTOR

1шт.

Выбрано товаров: 11