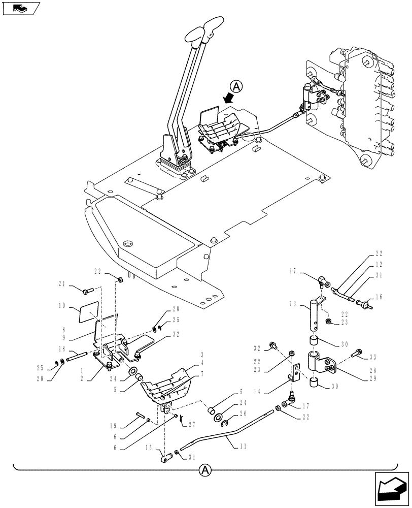
Запчасти Case CX27B ASN (35.702.07) - CONTROLS, OPERATORS (CANOPY) (35) - HYDRAULIC SYSTEMS

Схема запчастей Case CX27B ASN - (35.702.07) - CONTROLS, OPERATORS (CANOPY) (35) - HYDRAULIC SYSTEMS
11
13
21
27
6
17
18
23
15
1
5
26
32
24
19
31
22
33
24
20
5
3
2
25
10
32
8
30
6
9
16
29
17
12
31
30
25
22
4
22
23
14
7
home
20
22
22
28
FIT
1:1
100%

Артикул

Название

Примечание

Количество

.

Controls, Operators (Canopy) PM03M00058F1

1шт.

1

PM55M00019F1

1шт.

2

PM03M01688P2

SUPPORT

1шт.

3

PW55M01062F1

PEDAL

Assembly, Incl 4 - 7

1шт.

4

PW55M01061P1

PEDAL

1шт.

5

2405R312D1415

BUSHING

2шт.

6

2405R312D0606

BUSHING

2шт.

7

PW55M01060P1

PLATE

2шт.

8

PM03M01277F1

COVER ASSY

1шт.

9

PM03M01294P2

COVER

1шт.

10

PM03M01309P1

SHEET

1шт.

11

PM03M01711P1

ROD

1шт.

12

PM03M01633P2

ROD

1шт.

13

PM03M01704P1

LINK

1шт.

14

PM03M01697P1

PLATE

1шт.

15

PW55M01031P1

BALL JOINT

1шт.

16

2420R736D2

END

Rod

1шт.

17

2425R227D2

ARTICULATION

Joint, Ball

2шт.

18

PW03M01805P1

PIN

1шт.

19

PW55M01059P1

PIN

1шт.

20

ZW16P08000

WASHER

2шт.

21

ZS18C08025

SCREW,Hex, M8 x 25mm

Cap

2шт.

22

ZN18C08007

NUT

6шт.

23

ZW26X08000

LOCK WASHER

Lock

2шт.

24

ZW16P14000

WASHER

2шт.

25

ZR36X00700

RING

Snap

2шт.

26

ZR36X01200

RING

Snap

1шт.

27

2419R9D1

COTTER PIN

1шт.

28

PM03M01692F1

PLATE

Assy.

1шт.

29

PM03M01691P1

PLATE

1шт.

30

2405R312D2020

BUSHING

2шт.

31

ZN18C06005

NUT

2шт.

32

ZM22C08020

BOLT

Sems

6шт.

33

ZM22C08030

BOLT

Sems

3шт.

Выбрано товаров: 34