Качественные детали и логистика
Оригинальные и аналоговые запчасти с доставкой по России, Казахстану и Беларуси
©2022 PartSell ООО "Система" ИНН 2463123282 ОГРН 1212400004838
Центральный офис: г. Красноярск, Академика Киренского, д.87, пом.4
Телефон: 8 (800) 777-65-74 Email: zakaz@partsell.ru
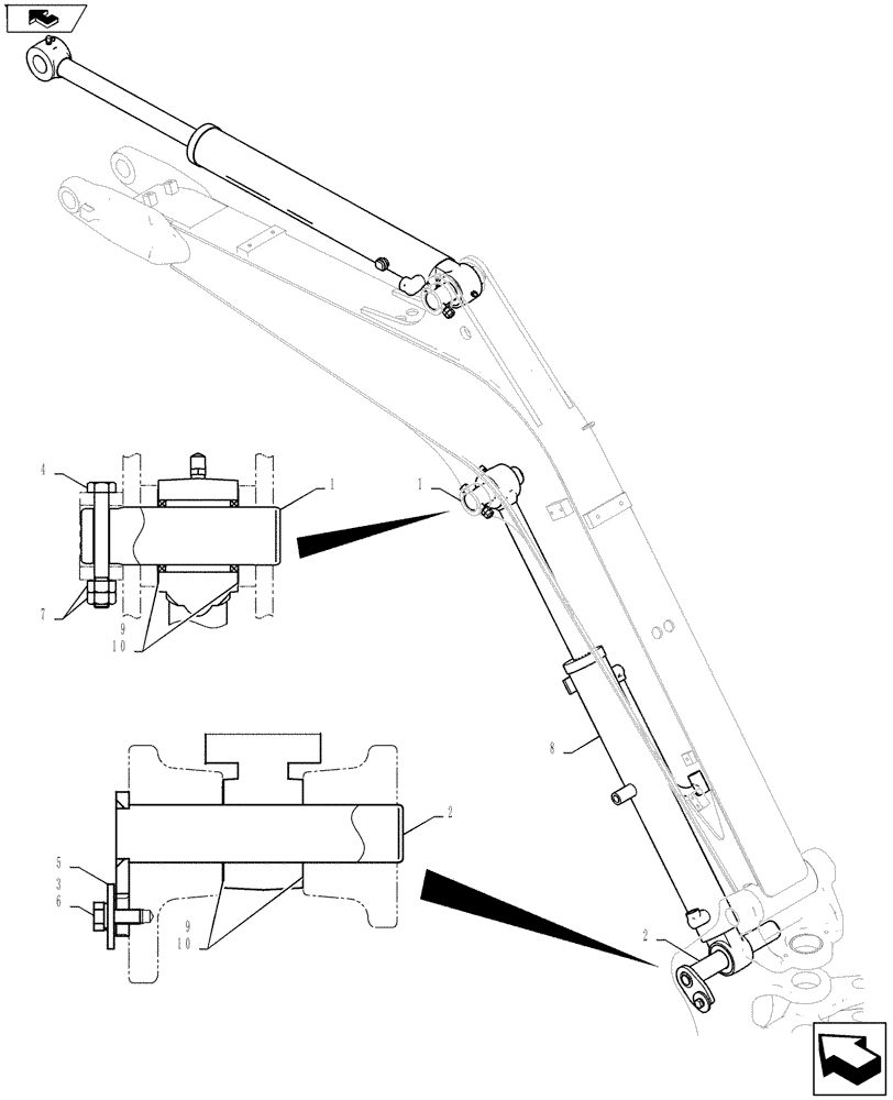
(35.730.03) - CYLINDER, MOUNTING, BOOM, CAB
№
Артикул
Название
Примечание
Количество
.
Cylinder Install (Cab) PV02B00166F1
1шт.
1
PM02B01321P1
PIN,40mm OD x 138mm L
2
PM02B01391P1
PIN
3
ZS18C10020
SCREW,Hex, M10 x 20mm
Cap
4
HS18C10080G3
BOLT
5
2418T21137
WASHER
6
ZW26X10000
LOCK WASHER
7
ZN18C10008
NUT
2шт.
8
PV01V00064F1
CYLINDER,Double Acting, 40mm Rod, 455mm Stroke
Boom
9
PR02B01123D1
SHIM,0.9mm Thk
10
PR02B01107P1
SHIM,0.5mm Thk
3шт.
Выбрано товаров: 0