Запчасти Case CX27B ASN (55.440.01) - RELAY BOX ASSY (55) - ELECTRICAL SYSTEMS

Схема запчастей Case CX27B ASN - (55.440.01) - RELAY BOX ASSY (55) - ELECTRICAL SYSTEMS
home
10
5
3
7
1
4
1
12
14
13
11
8
6
9
15
12
2
FIT
1:1
100%

Артикул

Название

Примечание

Количество

.

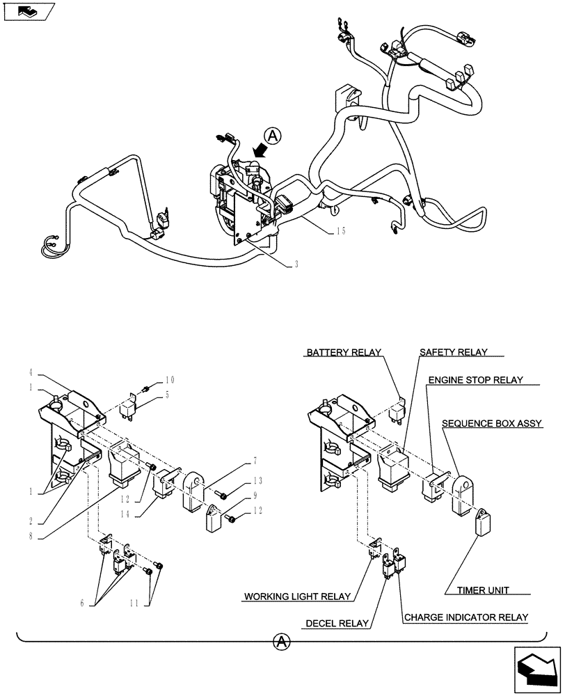
Relay Box Assembly PM03E00011F1

1шт.

1

YN03E01001D5

CLIP

3шт.

2

YN22M01006D5

BUSHING,50mm L

1шт.

3

PX24E00008F2

KIT

Relay Assy.

1шт.

4

PX24E01005P1

BRACKET

1шт.

5

PH24S00001P1

RELAY,12V, 70amp

(Used for Battery, Engine Stop, Light)

1шт.

6

PA24E01001P1

RELAY,12V - 20amp

(Used for Deceleration, Charge Indicator, Cab/Canopy Working Light, Horn, Slew/Swing Select, Slew/Swing Preservation, Nibbler Open/Close)

3шт.

7

PA24S00002P3

RELAY,DC12V

(Used for Sequence Box)

1шт.

8

PX24S00001P1

RELAY

(Used for Safety)

1шт.

9

PH25S00002P1

TIMER

1шт.

10

ZM61C05012

BOLT

Sems

1шт.

11

ZM61C06016

BOLT

Sems

2шт.

12

ZM61C06020

BOLT

Sems

2шт.

13

ZM61C06025

BOLT

Sems

1шт.

14

PX24S00003P1

RELAY

(Used for Engine Stop, Glow)

1шт.

15

PM14E01038P2

HARNESS

1шт.

Выбрано товаров: 16