Запчасти Case CX27B ASN (39.121.03) - ARM GROUP (84) - BOOMS, DIPPERS & BUCKETS

Схема запчастей Case CX27B ASN - (39.121.03) - ARM GROUP (84) - BOOMS, DIPPERS & BUCKETS
2
11
12
8
13
7
17
13
13
10
4
9
18
4
17
7
15
3
16
16
5
6
17
7
6
15
13
12
13
home
14
7
10
18
3
11
18
18
13
17
1
17
13
FIT
1:1
100%

Артикул

Название

Примечание

Количество

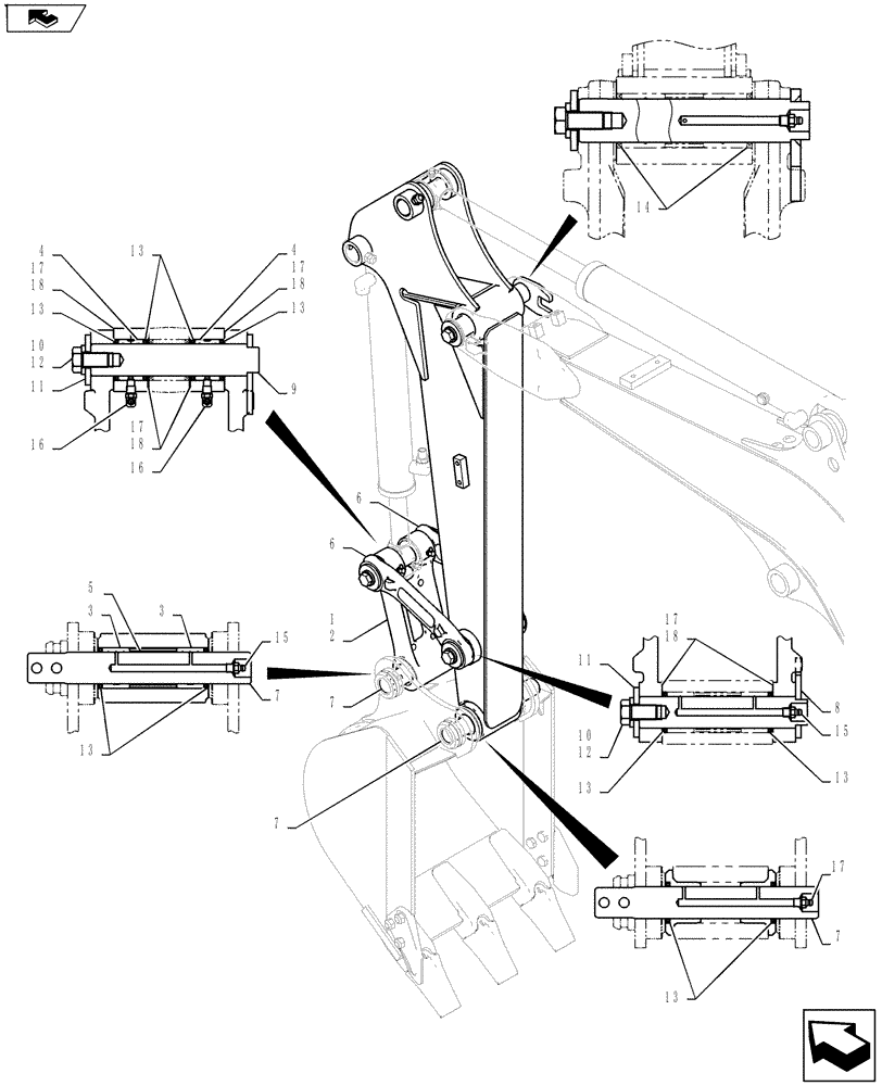
Arm Group PM12B00137F1

1шт.

1

PM12B01384F1

LINK

Bucket

1шт.

2

PM12B01385P1

Bucket

1шт.

3

PM12B01229P1

BUSHING,35mm ID x 45mm OD x 30mm L

2шт.

4

PM12B01340P1

BUSHING,35mm ID x 45mm OD x 27.5mm L

2шт.

5

PV12B01068P1

BUSHING,37.5mm ID x 42.7mm OD x 52mm L

Collar

1шт.

6

PM12B01366P1

LINK

2шт.

7

PM12B01370P1

PIN

2шт.

8

PM12B01321P1

PIN,35mm OD x 178.5mm L

1шт.

9

PM12B01350P1

PIN

1шт.

10

ZS18C16030

SCREW,Hex, M16 x 30mm

Cap

2шт.

11

PM12B01226P1

WASHER

2шт.

12

ZW16H16000

WASHER

2шт.

13

PN54D01001D2

SEAL,35mm ID x 45mm OD x 4mm Thk

10шт.

14

PN54D01001D3

SEAL,40mm ID x 50mm OD x 4mm Thk

Dust

2шт.

15

ZG91S02000

LUBE NIPPLE,1/8" NPT x 1/8" NPT

Grease

3шт.

16

ZG91U02000

LUBE NIPPLE

Grease

2шт.

17

PR02B01109P1

SHIM,0.5mm Thk

4шт.

18

PR02B01122D1

SHIM,0.9mm Thk

4шт.

Выбрано товаров: 19