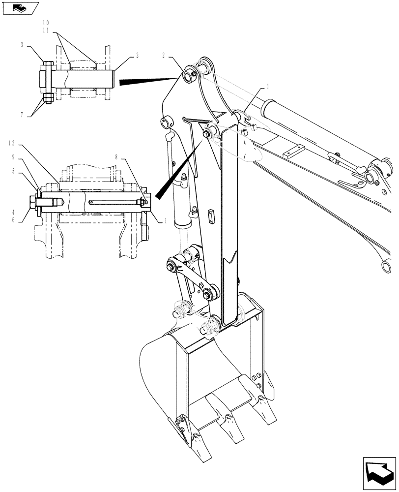
Запчасти Case CX27B ASN (39.121.04) - ARM INSTALL (84) - BOOMS, DIPPERS & BUCKETS

Схема запчастей Case CX27B ASN - (39.121.04) - ARM INSTALL (84) - BOOMS, DIPPERS & BUCKETS
2
9
5
12
10
1
8
2
7
11
6
3
home
1
4
FIT
1:1
100%

Артикул

Название

Примечание

Количество

Arm Install PV12B00120F1

1шт.

1

PM12B01383P1

PIN

1шт.

2

PM02B01321P1

PIN,40mm OD x 138mm L

1шт.

3

HS18C10080G3

BOLT

1шт.

4

ZS18C16035

SCREW,Hex, M16 x 35mm

Cap

1шт.

5

PM12B01226P1

WASHER

1шт.

6

ZW16H16000

WASHER

1шт.

7

ZN18C10008

NUT

2шт.

8

ZG91S02000

LUBE NIPPLE,1/8" NPT x 1/8" NPT

Grease

1шт.

9

PB12B01013D1

SHIM

(0.5)

3шт.

10

PR02B01123D1

SHIM,0.9mm Thk

1шт.

11

PR02B01107P1

SHIM,0.5mm Thk

2шт.

12

PM12B01250P1

SHIM,0.5mm Thk

1шт.

Выбрано товаров: 0