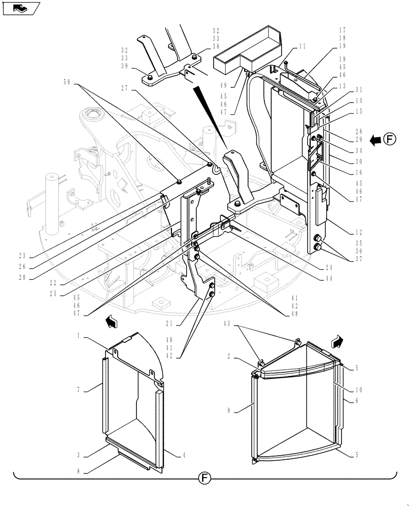
Запчасти Case CX27B ASN (90.100.04) - GUARD INSTALL (CAB) (90) - PLATFORM, CAB, BODYWORK AND DECALS

Схема запчастей Case CX27B ASN - (90.100.04) - GUARD INSTALL (CAB) (90) - PLATFORM, CAB, BODYWORK AND DECALS
19
39
33
46
45
7
41
48
49
home
42
47
15
45
16
44
1
31
30
24
25
10
5
33
12
27
41
19
29
14
38
8
3
11
43
42
5
28
17
32
46
36
45
47
35
6
26
23
46
46
34
37
13
21
18
9
4
47
2
22
50
45
20
32
40
FIT
1:1
100%

Артикул

Название

Примечание

Количество

.

Guard Install (Cab) PM21C00024F1

1шт.

1

PM22C01121P1

COVER

Dust

1шт.

2

PM22C01115P1

FOAM INSULATION

1шт.

3

PW22C01105D3

RUBBER

1шт.

4

PM22C01082D1

RUBBER

1шт.

5

YT21C01163D3

WEATHERSTRIP

2шт.

6

YN21C01465D1

WEATHERSTRIP

1шт.

7

YT21C01164D2

WEATHERSTRIP

1шт.

8

YT21C01037D4

TRIM PANEL

1шт.

9

YT21C01163D7

WEATHERSTRIP

1шт.

10

PM22C01120P1

FOAM INSULATION

1шт.

11

PM21C01333P1

SUPPORT

1шт.

12

PM21C01492P2

FOAM INSULATION

1шт.

13

PM21C01523P2

RUBBER

1шт.

14

PM21C01536P1

RUBBER

1шт.

15

PM21C01537P1

RUBBER

1шт.

16

PM21C01499P2

STRIKER

1шт.

17

PM21C01558P2

STAY

Assy.

1шт.

18

2419R9D2

COTTER PIN

2шт.

19

ZW16P08000

WASHER

2шт.

20

PM21C01202P1

BOLT

Sems

1шт.

21

PM21C01479P1

PILLAR

1шт.

22

PM21C01560P2

PILLAR

1шт.

23

PM21C01377P1

BRACKET

1шт.

24

YN21C01724D6

PANEL

Trim

1шт.

25

YN21C01692D6

STRIP

Trim

1шт.

26

YJ21C01146D7

STRIP

Trim

1шт.

27

YN21C01692D7

STRIP

Trim

1шт.

28

PM21C01350F1

PLATE ASSY.

1шт.

29

PM21C01498P1

PLATE

1шт.

30

2427P1836D25

WEATHERSTRIP

1шт.

31

PM21C01536P1

RUBBER

1шт.

32

ZW16H12000

WASHER

4шт.

33

ZW26X12000

LOCK WASHER

6шт.

34

YR21C01159P1

BOLT

Sems

2шт.

35

ZS18C16050

SCREW,Hex, M16 x 50mm

Cap

2шт.

36

ZW26X16000

LOCK WASHER

2шт.

37

ZW16H16000

WASHER

2шт.

38

ZS18C12040

SCREW,Hex, M12 x 40mm

Cap

1шт.

39

ZS18C12050

SCREW,Hex, M12 x 50mm

Cap

1шт.

40

ZS18C10030

SCREW,Hex, M10 x 30mm

Cap

2шт.

41

ZW26X10000

LOCK WASHER

4шт.

42

ZW16H10000

WASHER

4шт.

43

PA21C01133P1

BOLT

Sems

2шт.

44

PM21C01551P1

BRACKET

1шт.

45

ZS18C08020

SCREW,Hex, M8 x 20mm

Cap

6шт.

46

ZW26X08000

LOCK WASHER

Lock

6шт.

47

YR21C01161P1

WASHER,9mm ID x 22mm OD x 2.3mm Thk

6шт.

48

ZS18C10035

SCREW,Hex, M10 x 35mm

Cap

2шт.

49

PM21C01526P1

BOX

1шт.

50

ZM22C08020

BOLT

Sems

2шт.

Выбрано товаров: 0