Запчасти Case CX27B ASN (90.150.15) - CAB INSTALL (WITH HEAD GUARD) (90) - PLATFORM, CAB, BODYWORK AND DECALS

Схема запчастей Case CX27B ASN - (90.150.15) - CAB INSTALL (WITH HEAD GUARD) (90) - PLATFORM, CAB, BODYWORK AND DECALS
16
1
13
25
11
22
3
12
24
20
8
6
15
26
10
19
7
6
21
2
27
5
home
18
23
4
7
14
4
14
9
17
5
FIT
1:1
100%

Артикул

Название

Примечание

Количество

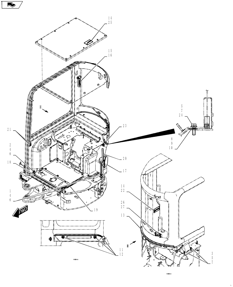
Cab Install (With Head Guard) PM02C00042F1

1шт.

Cab Install PM02C00043F1

1шт.

1

ZS18C16100

SCREW,Hex, M16 x 100mm

Cap

2шт.

2

ZS18C16050

SCREW,Hex, M16 x 50mm

Cap

1шт.

3

ZS18C12050

SCREW,Hex, M12 x 50mm

Cap

2шт.

4

ZW26X16000

LOCK WASHER

3шт.

5

ZW26X12000

LOCK WASHER

3шт.

6

ZW16H16000

WASHER

3шт.

7

ZW16H12000

WASHER

3шт.

8

YN21C01757D1

SHIM,1.2mm Thk

(1.2)

1шт.

9

YN21C01757D2

SHIM,2mm Thk

(2.0)

1шт.

10

YN21C01757D3

SHIM,3.2mm Thk

(3.2)

1шт.

11

2420T4505

WASHER,7mm ID x 16mm OD x 1mm Thk

3шт.

12

ZM46C06025

BOLT

Sems

3шт.

13

PM21C01152DN

WEATHERSTRIP

1шт.

14

PB06C01093D1

RIVET

8шт.

15

YN01T01012F1

HAMMER

1шт.

16

ZS32T40020

SCREW

Cross Tapping

3шт.

17

PM02C01550P1

COVER

1шт.

18

YR52F01080D4

RUBBER

1шт.

19

YR52F01080DD

RUBBER

1шт.

20

YR52F01080D1

RUBBER

1шт.

21

PA03M01093D1

BOLT

Sems

2шт.

22

PV20T01080P1

PLATE

Number

1шт.

23

PF21C01175D3

RUBBER

1шт.

24

ZS18C12040

SCREW,Hex, M12 x 40mm

Cap

1шт.

25

PV20T01081P1

Number

1шт.

26

PM02C01545P1

PLATE

1шт.

27

ZM46C06016

SCREW

Sems

2шт.

Выбрано товаров: 0