Запчасти Case CX27B ASN (90.150.19) - CANOPY ASSY (90) - PLATFORM, CAB, BODYWORK AND DECALS

Схема запчастей Case CX27B ASN - (90.150.19) - CANOPY ASSY (90) - PLATFORM, CAB, BODYWORK AND DECALS
4
8
7
3
13
2
7
5
home
10
11
4
12
14
3
9
3
4
1
8
1
2
6
FIT
1:1
100%

Артикул

Название

Примечание

Количество

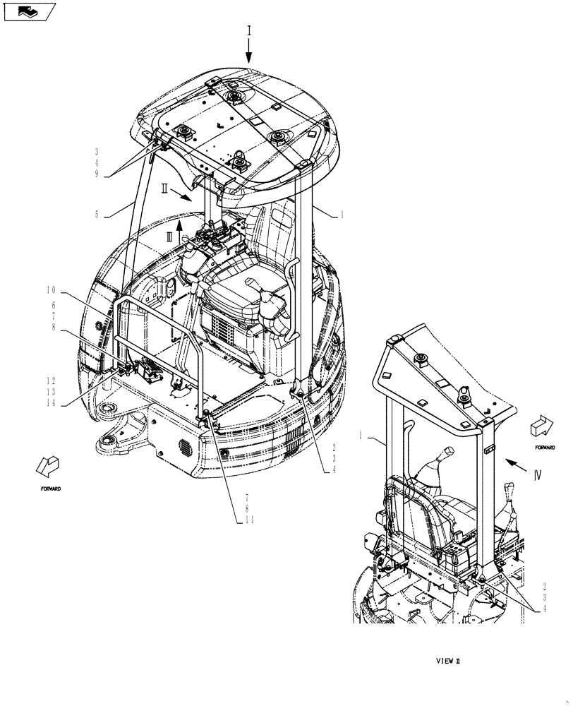
Canopy Assembly PW06C00042F1

1шт.

1

PV06C01091P1

SUPPORT

1шт.

2

ZS18C12055

SCREW,Hex, M12 x 55mm

Cap

8шт.

3

ZW26X12000

LOCK WASHER

10шт.

4

ZW16H12000

WASHER

10шт.

5

PV06C01056P1

SUPPORT

1шт.

6

ZS18C16065

SCREW,Hex, M16 x 65mm

Cap

1шт.

7

ZW26X16000

LOCK WASHER

2шт.

8

ZW16H16000

WASHER

2шт.

9

ZS18C12035

SCREW,Hex, M12 x 35mm

Cap

2шт.

10

PW41C00017P1

HANDRAIL

1шт.

11

ZS18C16100

SCREW,Hex, M16 x 100mm

Cap

1шт.

12

ZS18C10040

SCREW,Hex, M10 x 40mm

Cap

1шт.

13

ZW26X10000

LOCK WASHER

1шт.

14

ZW16H10000

WASHER

1шт.

Выбрано товаров: 0