Запчасти Case CX27B ASN (10.254.02) - HOSE ASSY, HEATER (10) - ENGINE

Схема запчастей Case CX27B ASN - (10.254.02) - HOSE ASSY, HEATER (10) - ENGINE
6
28
10
13
26
4
22
18
21
29
12
12
17
27
24
19
20
24
24
8
24
home
11
18
24
8
7
15
15
8
14
24
3
1
23
2
22
25
9
5
24
16
FIT
1:1
100%

Артикул

Название

Примечание

Количество

.

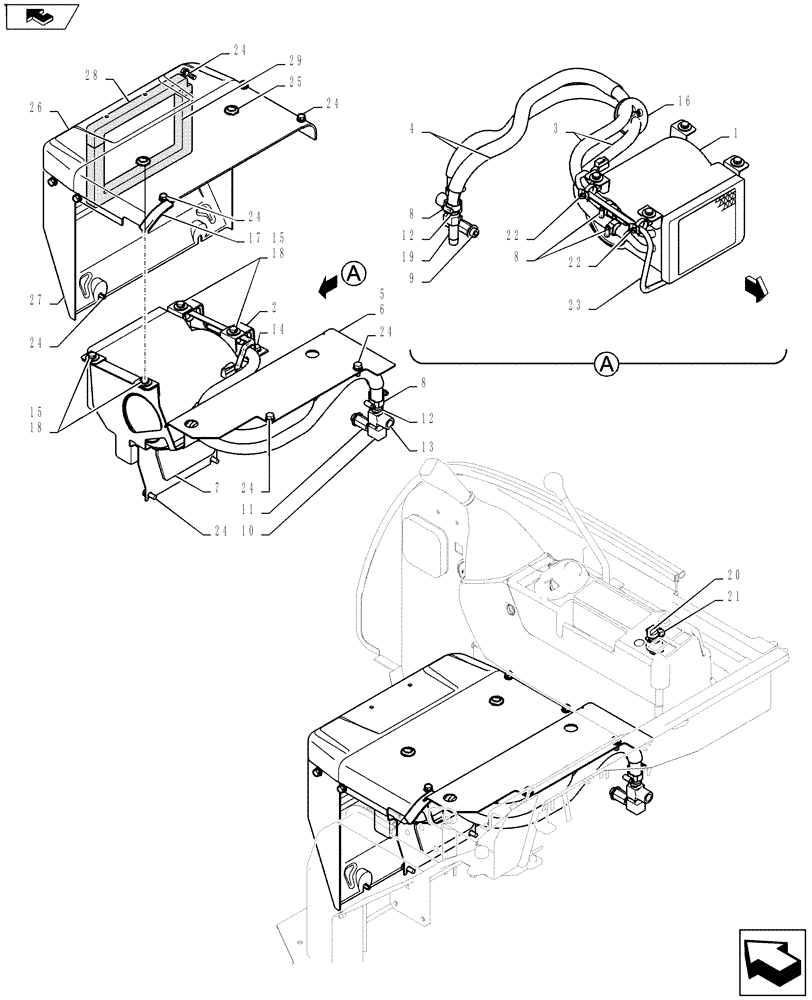
Hose Assembly Heater PM21M00017F1

1шт.

1

PM21M00005F1

HEATER ASSY.

1шт.

2

PM21M01047P1

PLATE

1шт.

3

R18T0026D85

HOSE,12mm ID x 1000mm L

2шт.

4

YN20M01427D9

PROTECTIVE SLEEVE

2шт.

5

PM10M01240F1

COVER ASSY

Assembly, Incl 6 - 7

1шт.

6

PM10M01241P1

COVER

1шт.

7

PM10M01136P1

FOAM INSULATION

1шт.

8

ZC16X02000

CLIP

4шт.

9

PU21M01014P1

GASKET

1шт.

10

PM21M01028P1

ELBOW

1шт.

11

PM21M01027P1

HYD CONNECTOR

1шт.

12

2444Z1630

FITTING

2шт.

13

PM21M01035P1

TEE

1шт.

14

ZM22C08020

BOLT

Sems

2шт.

15

PV01P01007P1

WASHER

4шт.

16

PW03M01461P1

GROMMET

1шт.

17

PM22C01013DB

WEATHERSEAL STRIP

1шт.

18

ZM11C08016

BOLT

Sems

4шт.

19

2444T2674

HYD CONNECTOR

1шт.

20

PY50S00003P2

SWITCH

1шт.

21

PW17M01019P1

LABEL

Heater Fan Switch (Off/L/H)

1шт.

22

YN03E01001D5

CLIP

2шт.

23

PW13E01068P1

HARNESS

1шт.

24

PA03M01093D2

BOLT

Sems

12шт.

25

2420R429D4

GROMMET

2шт.

26

PW03M01853P1

COVER

1шт.

27

PM10M01293P1

COVER

1шт.

28

PW21M01026P1

RUBBER STRIP

1шт.

29

PW21M01027P1

RUBBER STRIP

1шт.

Выбрано товаров: 0